陶瓷滤波器振荡电路

📅 发布时间:2013-10-05 03:50 👁️ 浏览:0 🏷️ 标签: 陶瓷滤波器 振荡电路

陶瓷滤波器振荡电路

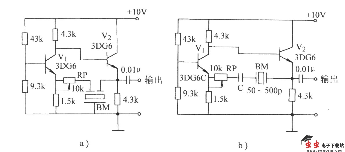
图a为三极性陶瓷滤波器构成振荡电路.

图b为二极性陶瓷滤波器构成振荡电路.

觉得这篇文章有帮助吗?