状态变量滤波器SVF型多相输出振荡器

📅 发布时间:2013-10-04 21:45 👁️ 浏览:0 🏷️ 标签: SVF 状态 变量 滤波器

状态变量滤波器SVF型多相输出振荡器

上图在SVF的基础上简单附加了平均植滤波电路和JFET,JFET作为可变电阻式AGC实现稳幅.

状态变量滤波器SVF型多相输出振荡器

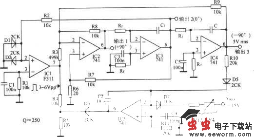
上图是改用比较器实现AGC,比较器的输出幅度由平均值检波电压决定.

觉得这篇文章有帮助吗?