由CD4007构成的压控振荡器

📅 发布时间:2013-10-04 14:05 👁️ 浏览:0 🏷️ 标签: 4007 CD 压控振荡器

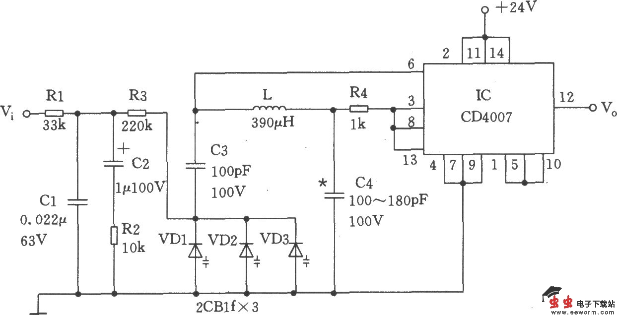
由CD4007构成的压控振荡器

本压控振荡器如图所示。该压控信号Vi由低通滤波器Rl~R3、Cl~C2向变容二极管VDl~VD3提供一个随频率及相位变化而变化的直流电压,该电压由电感L、电容C3、C4及变容二极管VDl~VD3和集成电路IC(CD4007) 成VCO(压控振荡器)的输出频率。

觉得这篇文章有帮助吗?