单片射频收发器nRF401的典型应用电路

📅 发布时间:2013-10-01 17:55 👁️ 浏览:1 🏷️ 标签: nRF 401 单片射频 典型

单片射频收发器nRF401的典型应用电路

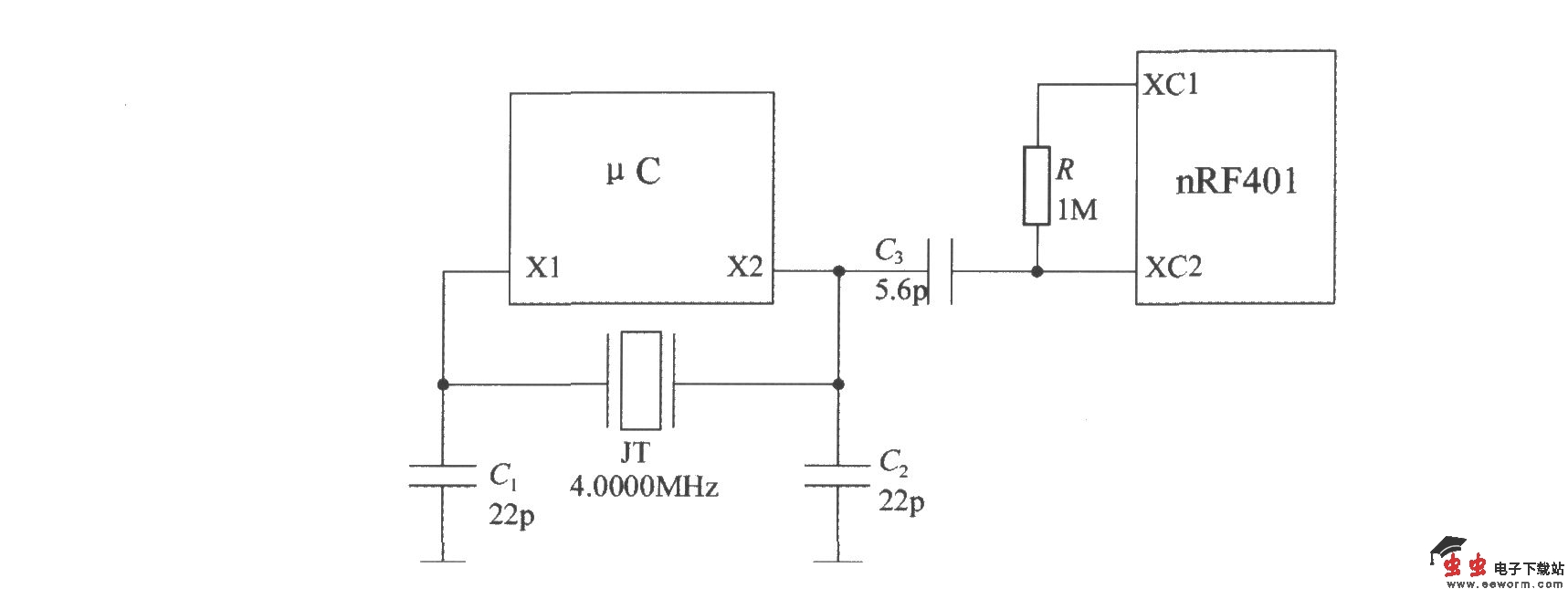
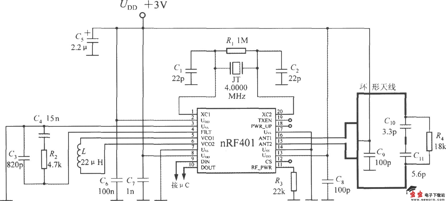
nRF401的典型应用电路如图所示,UDD采用 3V电源。由R1、JT、C1和C2构成晶振电路,C3、C4和R2组成环路滤波器。R3为功率设定电阻。C5为电源退耦电容,C6和C7均为消噪电容。DIN、DOUT端分别接单片机的TXD(串行输出)、RXD(串行输入)端。为简化电路,nRF401可跟μC合用一个晶振电路,如下图所示。X1、X2分别为μC的晶振输入端与输出端,所产生的晶振频率直接送至nRF401的XC2端。

单片射频收发器nRF401的典型应用电路 

觉得这篇文章有帮助吗?