由SAW组成的超高频发射模块CS901

📅 发布时间:2013-09-28 00:30 👁️ 浏览:0 🏷️ 标签: SAW 901 CS 超高频

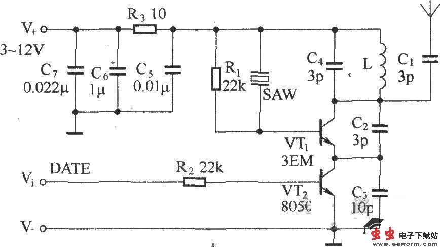
如图所示是由SAW组成的超高频发射模块,电路型号为CS901。它以基本电路为基础增加了调制管VT2和电源滤波电路而成的。电容C5~C7和R3组成电源滤波电路,防止电源干扰并提高电路的稳定性。VT2和R2组成调制电路,接在振荡发射管VT1的发射极。数据信号由Vi端输入,通过对VT2的控制,完成对发射信号的数字调制。该电路的发射载频等于SAW的谐振频率,为315MHz。

由SAW组成的超高频发射模块CS901

觉得这篇文章有帮助吗?