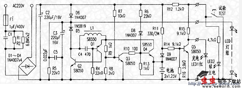
下图是实测的该灯内部结构电路。市电正常时由图中的C1、D1~D4、C2电容降压整流滤波电路供电。在C2上形成直流电压。经D6为一字形布排的LED灯组提供电源。与此同时,该电压又经过R11、D9为两节镍镉电池组充电。若充电中的电池尚未充满。因其端电压较低而使二极管D9正极与电池组的负极之间电压亦偏低,由此使R14、R16回路上分压低于Q5管的偏压,于是Q5截止,C2上电压经R15直接加于LED1管,作为充电状态指示。
另外,C2上电源在经过R7、R6为Q3、Q4应急转换功能电路供电,R7虽使Q3得到偏压导通,但由于此时Q4b极上电位值要高于其e极,因而Q4亦处于截止状态。一旦遇到市电停电时。由于电源电路滤波电解C2上原储电压放电的短时过程内,Q3管仍导通:因此充电电池的电量将立即因Q4 e-b极以及R10、Q3 c-e极回路产生的偏流使Q4的e-c极导通。这样,电池电源立即通过Q4的e-c极为Q1-Q2供电。Ql-Q2是一简单的自反馈式自激振荡电路,振荡电流通过Ll并在其两端产生较高的自感应电动势,并再由D7、C3、C5处理为大约十几伏的直流电压。作为驱动LED灯组(灯组是由六只绿色LED管串联而成)的供电电压,供其照明之用。市电若恢复,则电路将恢复初始时工作形态:负载LED灯组自动改由市电主供电状态;电池也切入充电态以补充电量。

JYD-301型消防应急标志灯电路
觉得这篇文章有帮助吗?