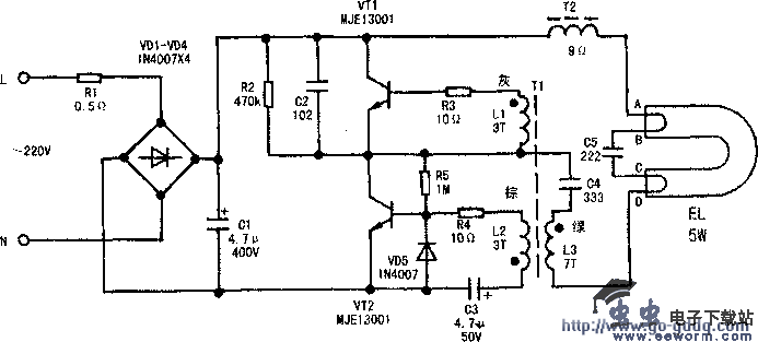
该灯电路、印制电路板如下图所示。电路中,由保险电阻R1、整流管VD1~VD4桥式整流、滤波电容C1组成直流滤波电路,在C1两端产生近300V直流电压。由电阻R2、R3、R4、R5,电容C2、C3、C4,二极管VD5,高反压功率管VT1、V2及脉冲变压器T1组成高频振荡电路,R2、R5分压给VT2的基极提供偏置电压。电路通电后VT2首先导通.通过T1的绕组L1、L2、L3(三个绕组同绕在一个磁环上)的电磁感应作用,电路形成振荡,VT2、VT1轮流导通与截止,输出高频电压到由高频扼流线圈T2、谐振电容C5组成的启动点燃电路,灯管EL两灯丝得电发射电子,激发荧光粉而发光。在高频振荡电路中,C2起抗干扰作用,R3、R4既起限流保护又能维持两功率管平衡。

康华牌5W节能灯电路图
觉得这篇文章有帮助吗?