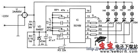
由5G169构成的四路亮度可变彩灯串控制电路原理如图所示。220V市电经全桥U整流、电阻R1限流降压,并与R2分压,由VDW将其电压稳定在6V,经二极管VD后,由电容器C1滤波后供给IC5G169工作。RP1是亮度分级调整用电位器,改变其阻值可使彩灯亮度分为64个等级。RP2是速度变化调整用电位器,改变其阻值可使彩灯亮、熄转换的变化速度相应改变,其R值大时则变化慢,反之则变化快。其可调范围为0.1~5s之间。S是彩灯正、反循环方向控制键,当S断开时,IC的(13)脚处于高电平状态,此时输出端(9)、(10)、(11)、(12)顺序输出高电平,使彩灯串按H1→H2→H3→H4方向顺序流动;当S闭合时,IC的(13)脚处于低电平状态,此时输出端(12)、(11)、(10)、(9)脚顺序输出高电平,使彩灯串按H4→H3→H2→H1??方向逆向流动。
电路中所配彩灯串视单向可控硅VS1~VS4的通态电流确定。

由5G169构成的四路亮度可变彩灯串控制电路
觉得这篇文章有帮助吗?