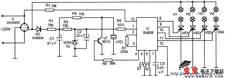
由SH808构成的音乐彩灯链控制电路原理如图所示。220V市电经全桥U整流后,再由电阻R1限流降压,电容器C1滤波,经R3后,由VDW将其电压稳定在5V供集成电路ICSH808及音乐电路工作。
ICSH808存贮的花样程序由两只导电橡胶按钮S1、S2进行触发控制。其中S1是程序变换控制钮,S2是音量及速度控制钮。
按动S1一次即可变换一个程序,变换的顺序从1~8循环进行。这8个程序状态如下:
(1)灯串全亮无音乐,以检查所有灯泡的好坏状况。(2)彩灯串随音乐声而闪烁(歌曲1~16首重复演奏)。(3)彩灯串随音乐而闪烁(歌曲1~4首重复演奏)。(4)彩灯串随音乐而闪烁(歌曲5~8首重复演奏)。(5)彩灯串随音乐而闪烁(歌曲9~12首重复演奏)。
(6)彩灯串随音乐而闪烁(歌曲13~16首重复演奏)。(7)彩灯串呈跑马式跳跃、追逐闪烁,但无音乐。(8)彩灯串呈波浪式翻滚闪烁,但无音乐。
当程序处于(2)~(6)状态,S2成为音量控制,按动S2一次,歌曲的音量就变化一次。
变化的顺序按音量大、中、小、无四段分级进行;当程序处于(7)~(8)状态时,按动S2钮,彩灯串的跑马跳跃与波浪翻滚的速度开始变化,其变化分为“快速”与“慢速”两级。该电路中所用的单向可控硅VS1~VS4可根据彩灯串的功率大小来选择。如要增大其音乐的音量,可以在VT的后级续接功率放大电路。

用SH808构成的音乐彩灯链控制电路
觉得这篇文章有帮助吗?