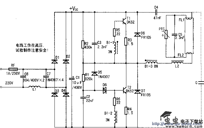
根据实物绘制的电原理图如图所示,电容C6、C7及电感L1组成π型电磁干扰(EMI)滤波器以滤除来自电网的各种电磁干扰,同时对电子镇流器自身产生的电磁干扰脉冲也起到衰减滤除作用,以防止因电子镇流器工作的电磁干扰脉冲对电网造成二次污染,这已成为当今业界及荧光灯电子镇流器生产厂家必须执行的一项强制性标准。RF为交流溶断器,起短路保护之用。
D1-D4、C1构成桥式整流滤波电路,220V交流市电直接整流滤波后在C1两端得到空载约311V的直流电压作为后面的高频逆变电路工作电源。
由T1、T2、R3、R4、R5、R6、B1—1、B1—2、B1—3等组成变异的变压器馈电半桥式逆变电路。在荧光灯电子镇流器中逆变器是最关键的组成部分之一。它实质上是一个DC/AC变换电路,用以产生20kHz以上的高频电压和电流。之所以称之为变异电路是因为在其桥路的无源侧少了一个连接于灯丝与地之间的电容C(常规电路有这个电容如图中虚线所示。由T1、T2和C4、C构成电桥),逆变的核心元件T1、T2同时兼做功率开关之用,它们占电桥电路的一半,所以称之为半桥式逆变器。D6、D7分别并接于T1、T2的集电极与发射极之间。起续流保护之用。
R1、R2、C2、C3、D5、DB等元件构成逆变电路的启动电路。电子镇流器加电后,电流经R2、R1对电容C2进行充电,当C2两端的电压升高到触发二极管DB的转折电压(约35V)值后,DB发生雪崩击穿,C2则通过T2的基极→发射极回路放电,T2因正向偏置而导通。在T2导通期间,电流路径为:+VDc→C4→灯丝FL1→C5→灯丝FL2→扼流圈L2→B1的初级绕组B1—3→T2→地,电流对C5进行充电。T2集电极电流的瞬时变化通过B1—3在B1的两个次级绕组B1—1和B1—2两端产生感应电动势,极性是各绕组的同名端均为负。其结果使T2的基极电位升高,基极电流和集电极电流进一步增大。连锁式的正反馈立即使T2跃变到饱和导通状态。在T2导通期间,启动电容C2将通过二极管D5和晶体管T2迅速放电,以防止其对T2的基极产生进一步的触发脉冲而致使晶体管T2无法退出饱和状态。启动电路只提供一个外部触发信号,高频振荡的建立与维持则是借助于可饱和变压器B1各绕组之间的耦合,产生正反馈来实现。当B1达到饱和后,B1的各个绕组中的感应电动势为零,T2的基极电位呈下降趋势,IC2减小使在B1—3中将产生一个感应电动势以阻止Ic2的减小,极性是同名端为正。通过变压器的互感耦合使T2的基极电位下降,T1的基极电位升高,这种连锁式的正反馈迅速使T2退出饱和而跃变到截止状态,而T1则由截止迅速跃变为饱和导通。在T1饱和导通期间,电流路径是C5→灯丝FL1→C4→T1→B1—3→扼流圈L2→灯丝FL2→C5,该电流流向即为C5的放电回路。借助于脉冲变压器初级绕组B1—3的正反馈,使晶体三极管T1、T2交替导通,约在O.3秒内引起由L2、C5、C4等组成的LC串联电路发生谐振,在C5两端产生一个600—1200V的高压脉冲,将荧光灯管中的汞(水银)蒸汽电离击穿形成导电通路而将灯管点亮。由于C5<<C4,所以在灯启动之前LC串联电路的谐振频率主要由C5和L2的数值决定。在逆变器进入稳定工作状态后,工作频率则由脉冲变压器B1的磁心尺寸、最大磁通密度、初级绕组B1—3的匝数、横跨B1—3的反馈电压及开关晶体管的存储时间等因素决定。正常工作以后扼流圈L2还仍起限流作用。

“华强”牌节能灯电子镇流器电路
觉得这篇文章有帮助吗?