FDD400-1和JDD400-1组成

📅 发布时间:2013-08-18 02:30 👁️ 浏览:1 🏷️ 标签: 400 FDD JDD

编码发射电路(MK5087是DTMF编码器):

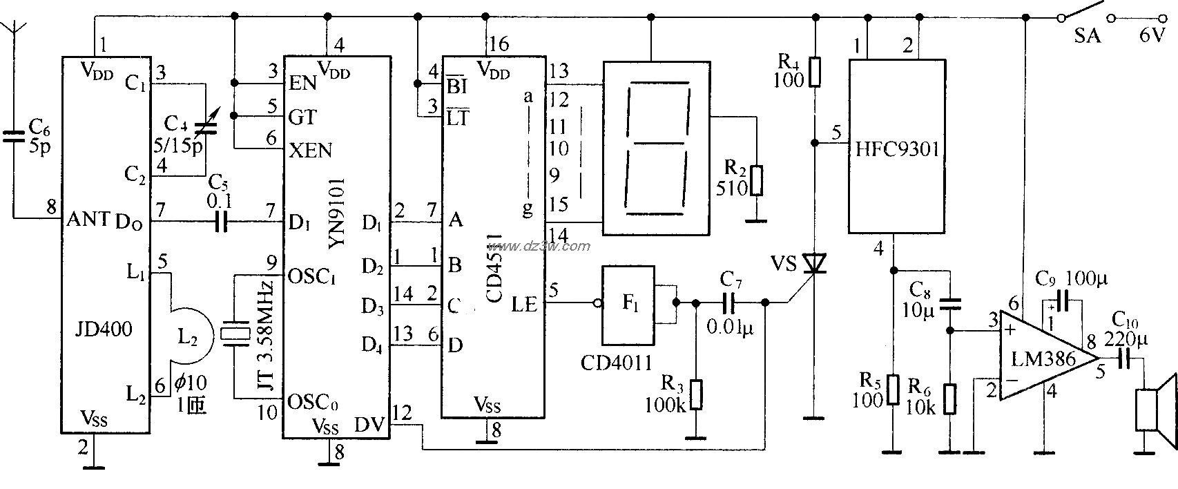
接收译码电路(YN9101是DTMF译码器,HFC9301是警示音发生电路,LM386是音响功放电路)


觉得这篇文章有帮助吗?