TRF6901/FSK/OOK 915/86

📅 发布时间:2013-08-18 02:30 👁️ 浏览:0 🏷️ 标签: 6901 TRF FSK 915


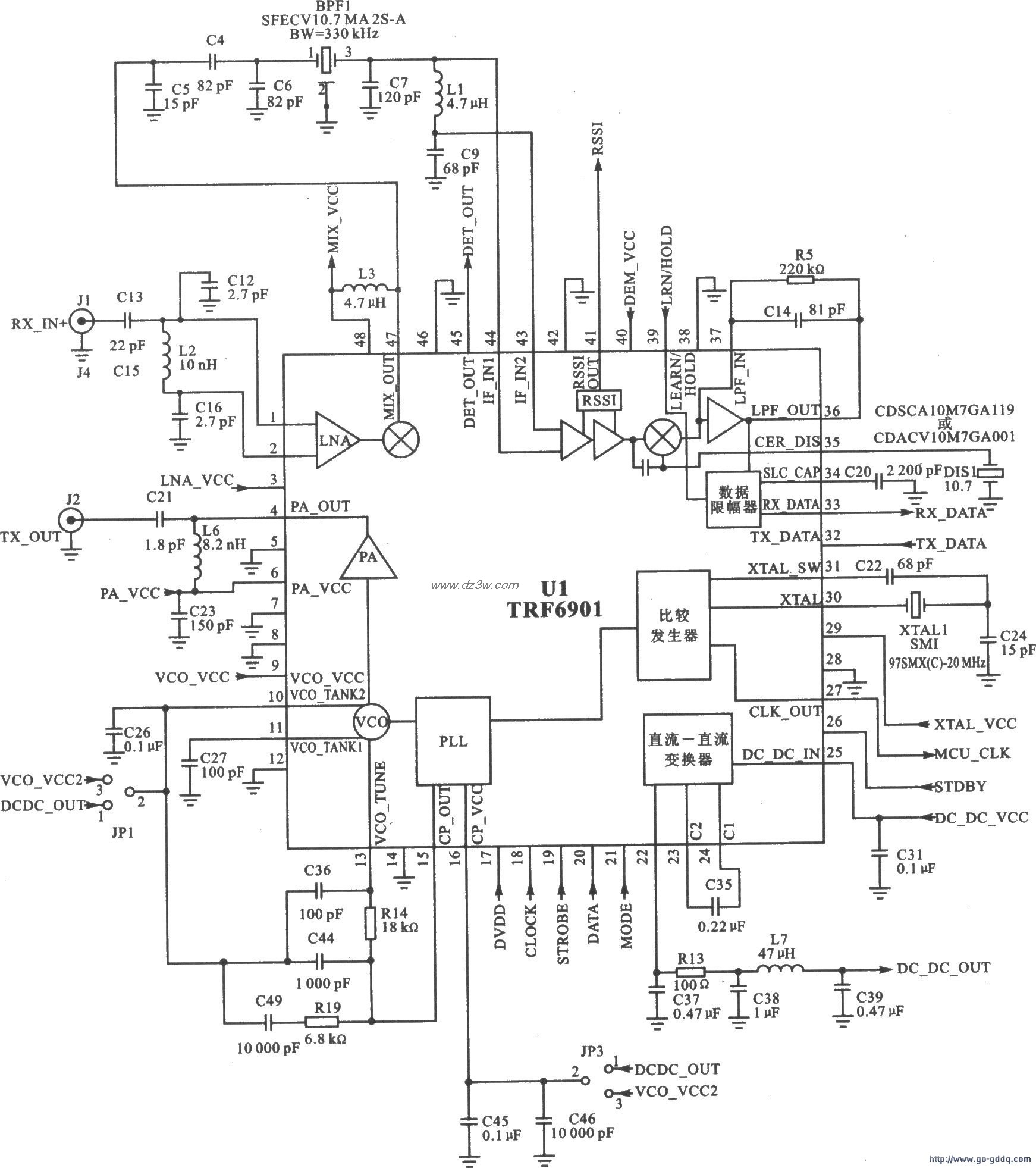
TRF6901在868~870 MHz欧洲ISM频段FSK应用电路

TRF6901在902~928 MHz北美ISM频段FSK应用电路


觉得这篇文章有帮助吗?