MC2831无线电发射专用集成电路是美国摩托罗拉公司生产的无线电调频(FM)发射专用器件。此器件与MC33XX系列无线电接收集成电路配合使用,可制成小型化、高性能、大功率的对讲机、电话机以及无线电遥控等设备。

MC2831外形引脚图MC2831内部原理框图 电气参数 MC2831工作频率为l4~60MHz;工作电压3~8V;工作电流4mA(Vcc=4V时);对于话筒放大器,当第5脚输入电压为lmV且f=1.0kHz时,闭环增益为30dB。输入为30mV时,失真度为0.7%;内部导频振荡器触发电压(第7脚电压)约为1.4V。

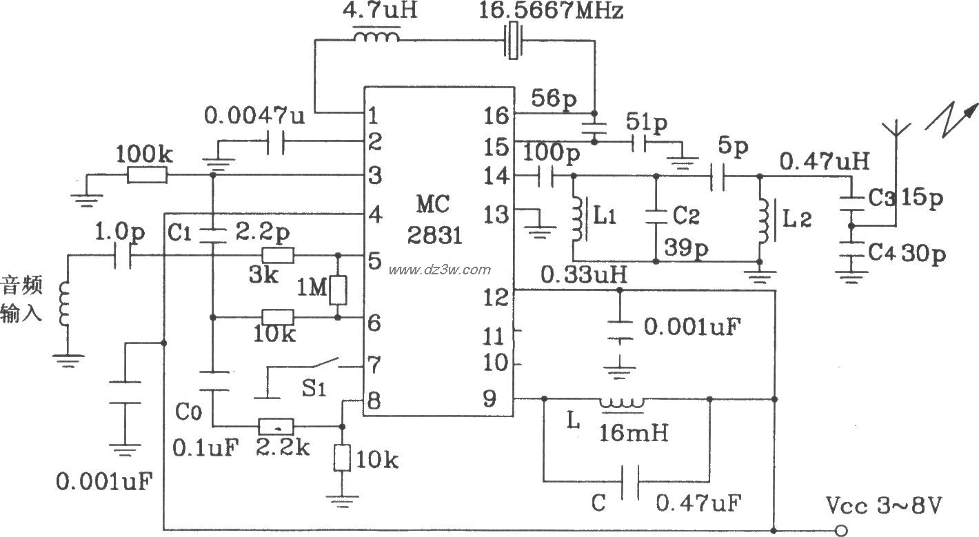
MC2831构成的无线电发射典型应用电路
由MC2831构成的无线电发
觉得这篇文章有帮助吗?