数显湿度计电路

📅 发布时间:2013-08-18 01:00 👁️ 浏览:0 🏷️ 标签: 数显 湿度计 电路

数显湿度计电路

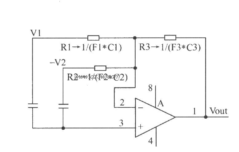
数显湿度计主要由以下几部分电路:(1)湿度/电压转换电路电路
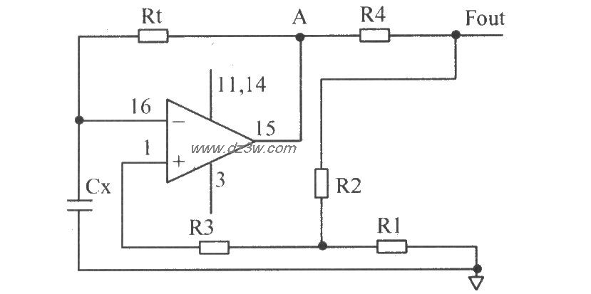
(2)湿度/频率转换电路
(3)利用LM331组成的电路
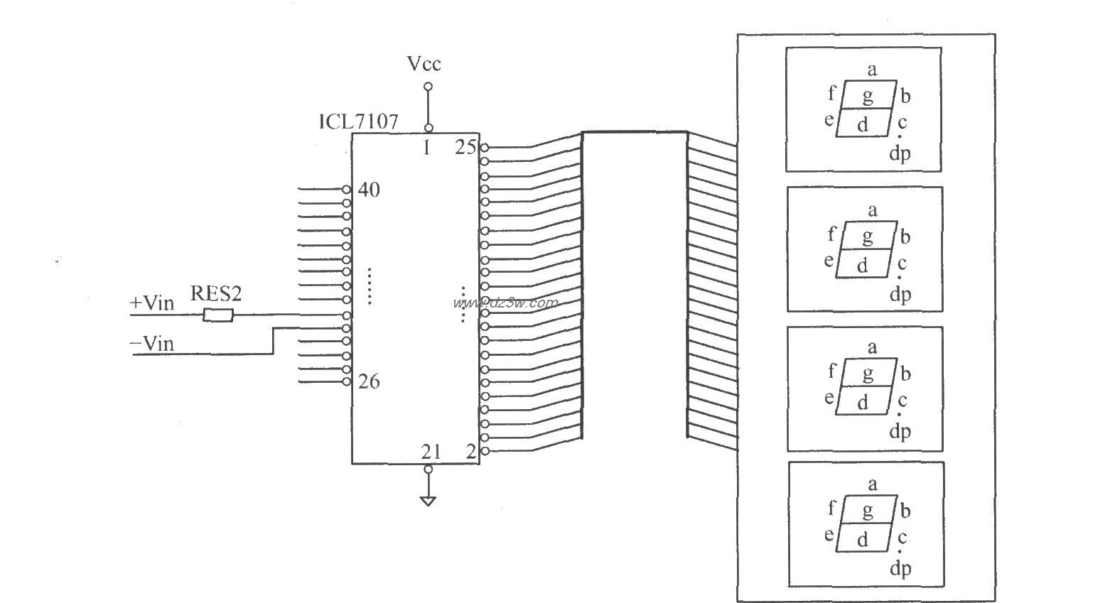
(4)显示电路

 


觉得这篇文章有帮助吗?