温度测量电路


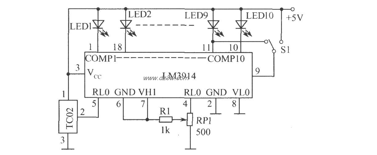
如图所示为温度测量电路。图中,S1是点/条显示模式转换开关。在电源电压Vcc>8V时,LED1~LED10可不用串接限流电阻。LED发光时的电流由4、6脚外接电阻设置,假设4、6脚外接电阻为1.2kΩ(包括R1及BP1中心头至4脚间的电阻),与LM3914内部分压器10kΩ总电阻并联,使4、6脚间的等效电阻为10.7kΩ左右,1.25V基准电压提供给分压器电路的电流为1.25V/1.07kΩ≈1.2mA。而LED发光电流是此电流的10倍,即12mA左右。这就是电阻分压器浮接的优点。7、8脚间的基准电压源也是浮接的,6脚可以与7脚相连使用内部1.25V基准电压,6脚也可以外接其他基准电压。假如不使用RP1,将R1与4脚相连后接地,则电阻分压器顶点电压为1.25V。因LM3914是线性分压,相邻电压比较器同相输入端逐级增加0.125V。当5脚输人为零时,10级电压比较器均闭锁,全部LED均不发光;在5脚输入一个缓慢上升的信号电压时,若工作在条形显示方式,则电压每增加0.125V就有一个LED发光,增加到1.25V时10只LED全部燃亮。若工作在动点显示方式,输入电压每增加0.125V就换一个LED单独发光。使用BP1后可垫高电阻分压器低端4脚的电位,因此可改变显示温度的量程范围。实际使用中,改变RP1阻值可大范围调整显示量程,而调整RP1则可以细调温度显示范围。元器件选择:TC02是美国TELCOM公司生产的电压输出型集成温度传感器,输出电压与摄氏温度呈线性关系。其主要特性参数为:工作电压3V~12V;典型静态电流40mA,最大60mA;输出灵敏度100mV/oC;非线性误差最大±0.8℃;测量精度典型值为±0.5℃;测温范围为-40℃~125℃。
温度测量电路
觉得这篇文章有帮助吗?