天津正大电梯控制柜电路

📅 发布时间:2013-08-17 23:30 👁️ 浏览:0 🏷️ 标签: 控制柜 电梯 电路

天津正大电梯控制柜
天津正大电梯主电路与安全回路:
天津正大电梯控制电路(1):
天津正大电梯控制电路(2):
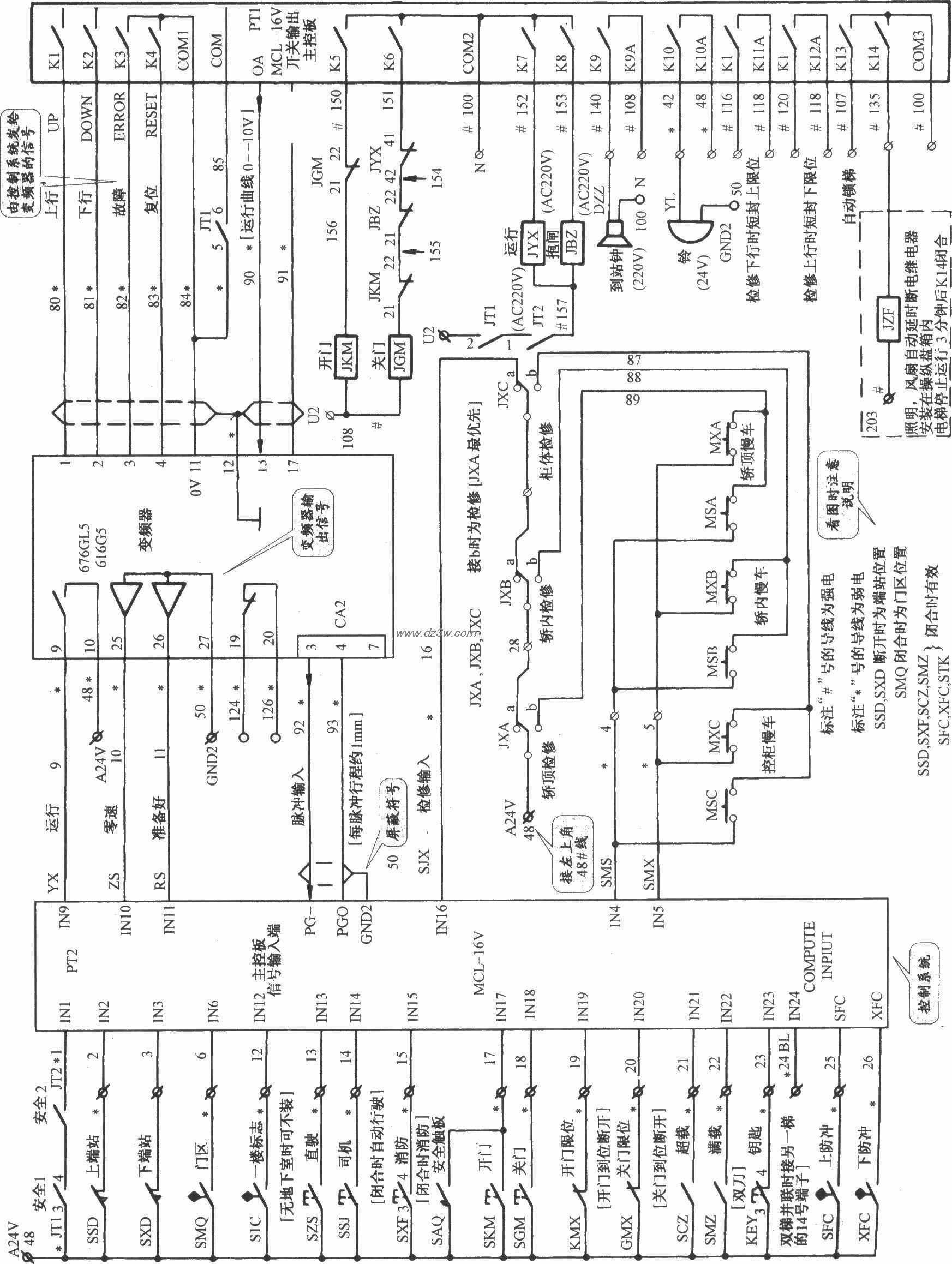
天津正大电梯控制电路(3):
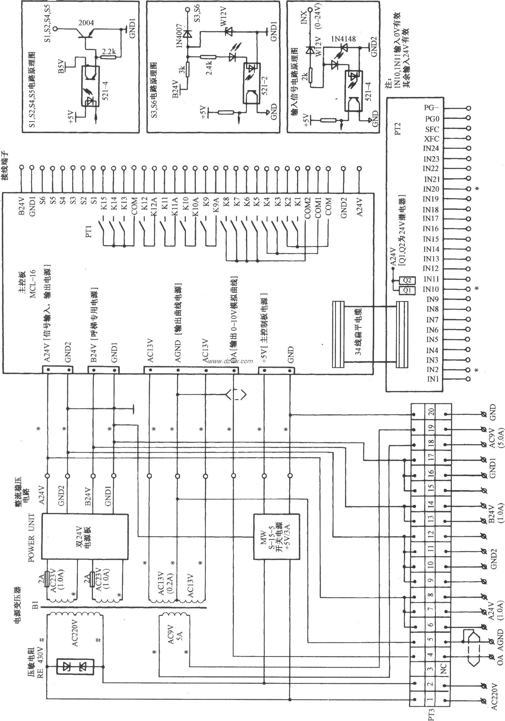
天津正大电梯接线端子排列图:

 


觉得这篇文章有帮助吗?