JHo-751半自动货梯控制柜

📅 发布时间:2013-08-17 23:30 👁️ 浏览:0 🏷️ 标签: JHo 751 半自动 控制柜

JHo-751半自动货梯控制柜
JHo-751半自动货梯主电路:
JH0一751半自动货梯控制电路(1):
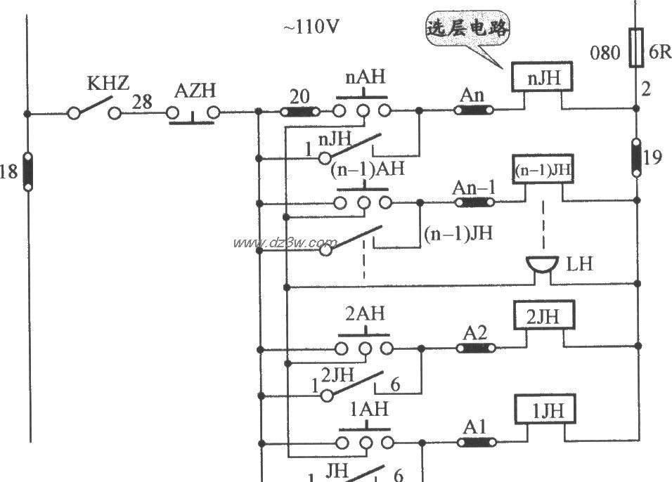
JHo-751半自动货梯控制电路(2):
JHo-751半自动货梯按钮电路:
JHo-751半自动货梯按钮指示电路:
JHo-751半自动货梯照明电路(1):
JHo-751半自动货梯照明电路(2):

 


觉得这篇文章有帮助吗?