⭐ 欢迎来到虫虫下载站! | 📦 资源下载 📁 资源专辑 ℹ️ 关于我们
⭐ 虫虫下载站
🔐 登录 📝 注册
虫虫下载站
虫虫下载站
专业电子工程师资源平台
📤 上传资源
  • 🏠 首页
  • 📦 资源下载
  • 📁 资源专辑
  • 🔧 热门软件
  • ⭐ 精品资源
  • 🎓 基础知识
  • 📐 电路图
  • 📚 电子书
  • 🔢 在线计算器
  • 🔍 代码搜索
🏠 首页 › 📐 电路图 › 报警电路

📐 报警电路

📊 共 584 个电路图 🎨 设计参考
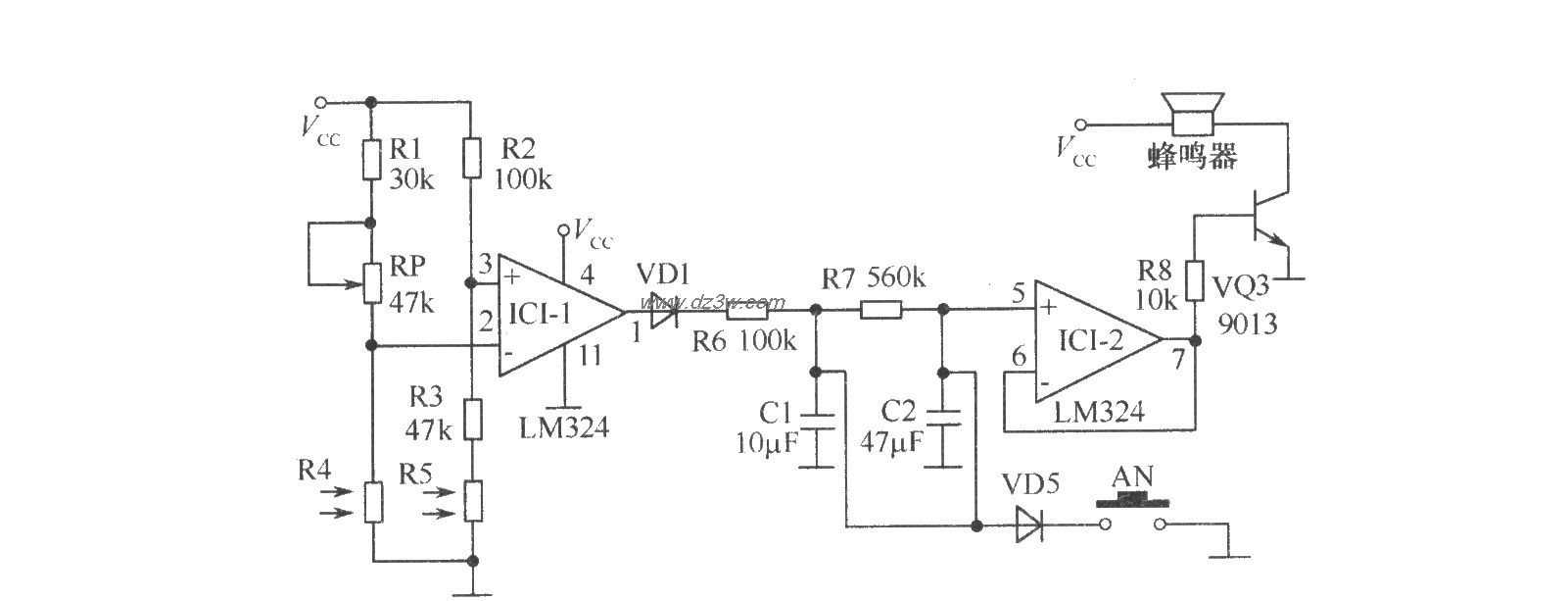
LM1812构成汽车倒车防撞电路图

LM1812构成汽车倒车防撞

📅 01-01 查看 →
迷童报警器电路图电路图

迷童报警器电路图

📅 01-01 查看 →
带5个指示灯的报警电路电路图

带5个指示灯的报警电路

📅 01-01 查看 →
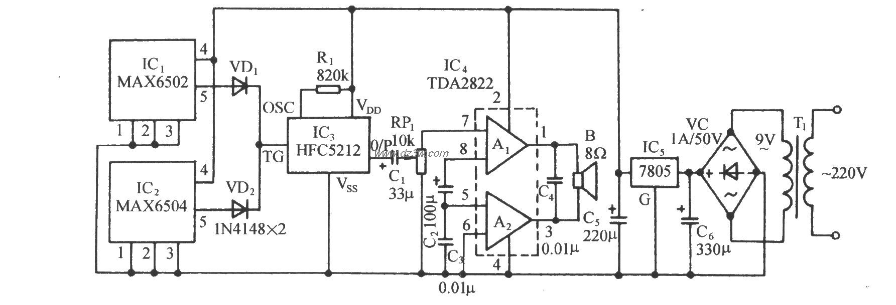
煤气事故报警电路电路图

煤气事故报警电路

📅 01-01 查看 →
闪光报警电路电路图

闪光报警电路

📅 01-01 查看 →
交流电压双向越限报警电电路图

交流电压双向越限报警电

📅 01-01 查看 →
矿灯报警电路电路图

矿灯报警电路

📅 01-01 查看 →
水箱水位报警电路电路图

水箱水位报警电路

📅 01-01 查看 →
超速报警电路电路图

超速报警电路

📅 01-01 查看 →
光强控制报警电路电路图

光强控制报警电路

📅 01-01 查看 →
遮光报警电路电路图

遮光报警电路

📅 01-01 查看 →
光电报警电路电路图

光电报警电路

📅 01-01 查看 →
超温报警电路电路图

超温报警电路

📅 01-01 查看 →
直流电源欠压报警电路电路图

直流电源欠压报警电路

📅 01-01 查看 →
丢失脉冲报警电路电路图

丢失脉冲报警电路

📅 01-01 查看 →
红外线防盗报警电路电路图

红外线防盗报警电路

📅 01-01 查看 →
高灵敏度报警器工作原理电路图

高灵敏度报警器工作原理

📅 01-01 查看 →
带多个检测头的无线报警电路图

带多个检测头的无线报警

📅 01-01 查看 →
电路原理煤气炉熄火报警电路图

电路原理煤气炉熄火报警

📅 01-01 查看 →
光束阻断报警器电路电路图

光束阻断报警器电路

📅 01-01 查看 →
光敏二极管组成的防盗报电路图

光敏二极管组成的防盗报

📅 01-01 查看 →
防盗报警“犬”电路原理电路图

防盗报警“犬”电路原理

📅 01-01 查看 →
钟控定时启动迷惑性防盗电路图

钟控定时启动迷惑性防盗

📅 01-01 查看 →
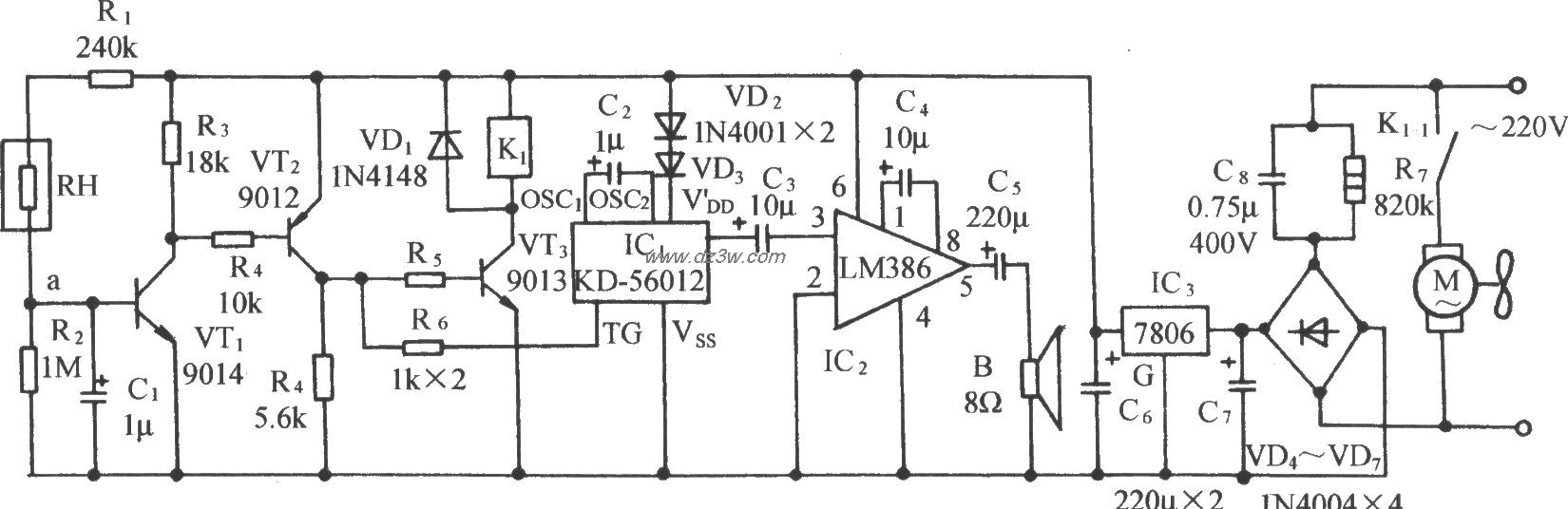
厨房定时报警电路电路图

厨房定时报警电路

📅 01-01 查看 →
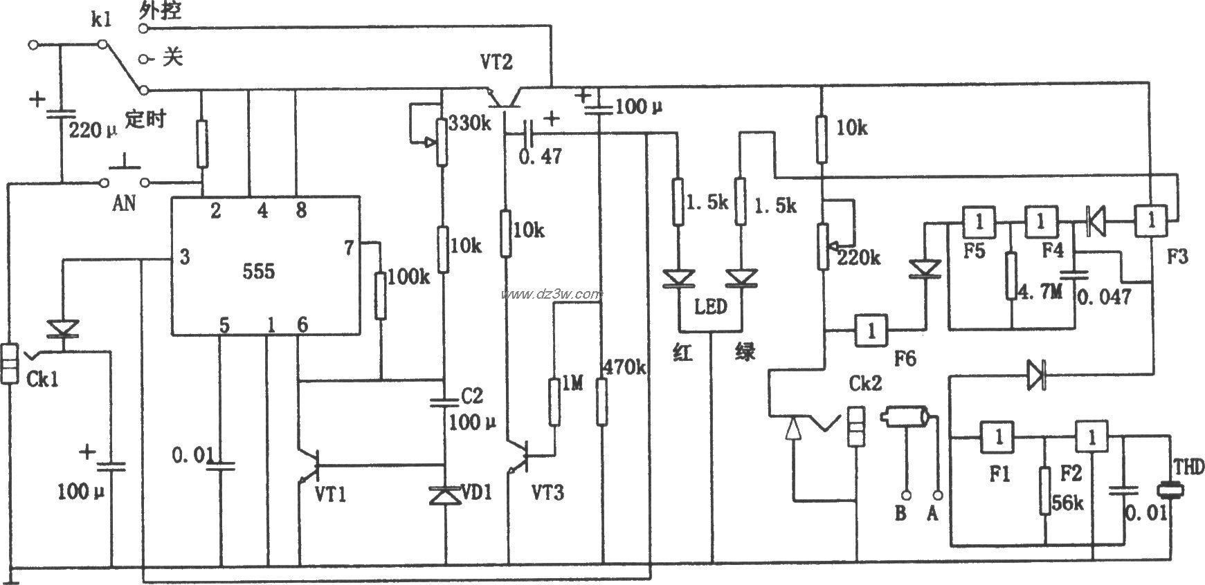
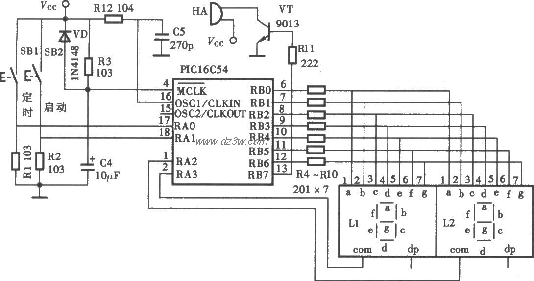
通用多功能报警和定时器电路图

通用多功能报警和定时器

📅 01-01 查看 →
温度报警电路电路图

温度报警电路

📅 01-01 查看 →
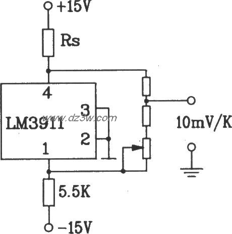
由LM3911单片温度控制集电路图

由LM3911单片温度控制集

📅 01-01 查看 →
暖房或大棚防结露自动排电路图

暖房或大棚防结露自动排

📅 01-01 查看 →
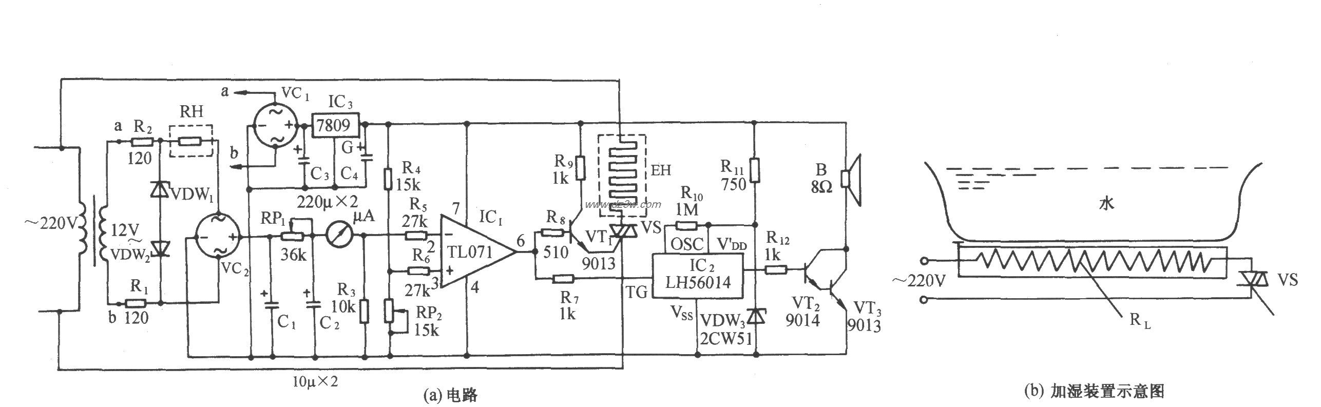
暖房花卉育苗湿度控制伴电路图

暖房花卉育苗湿度控制伴

📅 01-01 查看 →
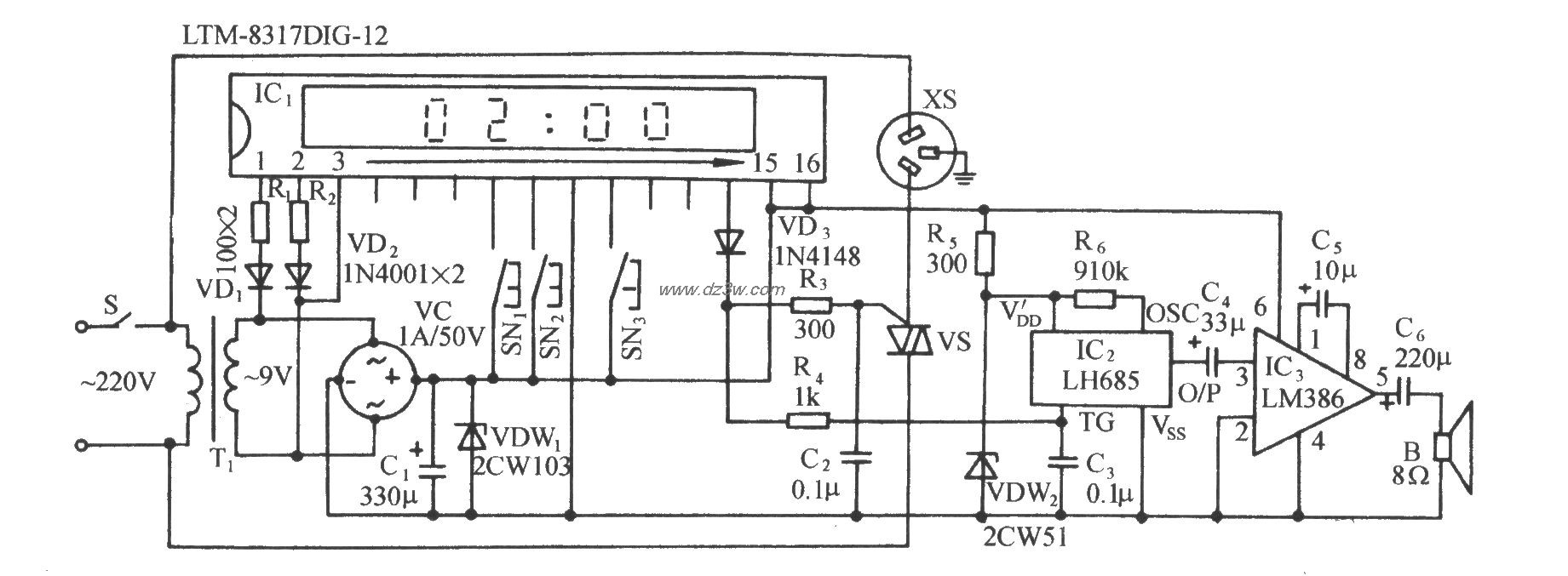
温度窗口超限告警电路(M电路图

温度窗口超限告警电路(M

📅 01-01 查看 →
  • 首页
  • « 上一页
  • 1
  • 2
  • 3
  • 4
  • 5
  • 6
  • 7
  • 8
  • 9
  • 10
  • 下一页 »
  • 末页
🔐 用户登录
加载中...

加载登录表单中...

🎁 免费注册送10积分
加载中...

加载注册表单中...

🔑 找回密码
加载中...

加载表单中...

🔐 需要登录
🔒

登录后即可使用!

🎁 新用户注册立即送10积分
积分可用于下载资源,免费获取优质技术资料
🚪 退出登录
👋

确认要退出登录吗?

退出后需要重新登录才能下载资源

关于虫虫

虫虫下载站是专业的电子工程师资源分享平台,汇聚 622,478+ 优质资源,为工程师提供免费、专业的技术资料。

🌐

快速链接

  • 📦 资源下载
  • 📁 资源专辑
  • 📐 电路图库
  • 📚 电子书籍
  • 🧮 在线计算器

帮助中心

  • 📋 服务条款
  • ℹ️ 关于我们
  • ⚠️ 免责声明
  • 🗺️ 网站地图

联系我们

扫码关注我们

虫虫下载站二维码

虫虫小帮手

© 2011-2025 虫虫下载站 - 专业的电子工程师资源分享平台 | 让技术资源触手可及

京ICP备2021023401号-1