⭐ 欢迎来到虫虫下载站!
|
📦 资源下载
📁 资源专辑
ℹ️ 关于我们
⭐ 虫虫下载站
🔐
登录
📝
注册
虫虫下载站
专业电子工程师资源平台
📤 上传资源
🏠 首页
📦 资源下载
📁 资源专辑
🔧 热门软件
⭐ 精品资源
🎓 基础知识
📐 电路图
📚 电子书
🔢 在线计算器
🔍 代码搜索
🏠 首页
›
电路图
›
报警电路
›
热释电探测无线防盗系统
热释电探测无线防盗系统
📅 发布时间:
2013-08-18 08:00
👁️ 浏览:
0
🏷️ 标签:
热释电
探测
无线防盗系统
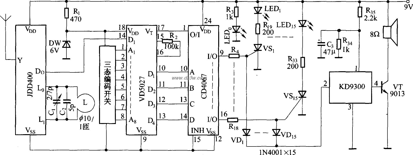
热释电探测无线防盗系统由热释电红外探测电路,数字编码无线电发射电路,无线接收解调电路,地址译码电路,报警声触发与发声电路组成.HN911是新型热释电红外探测模块,功耗小,抗干扰性能(尤其是抗电磁波干扰)十分优良.
热释电探测无线防盗发射电路:
热释电探测无线接收电路:
觉得这篇文章有帮助吗?
👍 来顶一下 (
22
)
🔐 用户登录
×
加载中...
加载登录表单中...
🎁
免费注册送10积分
×
加载中...
加载注册表单中...
🔑 找回密码
×
加载中...
加载表单中...
🔐
需要登录
×
🔒
登录后即可使用!
🎁
新用户注册立即送10积分
积分可用于下载资源,免费获取优质技术资料
🚪
退出登录
×
👋
确认要退出登录吗?
退出后需要重新登录才能下载资源