LM1812是一种性能优良,且既能发送又能接收超声波的通用型超声踊集成器件。芯片内部包括:脉冲调制C类振荡器、高增益接收器、脉冲凋制检测器及噪音抑制器。它除了可用于遥控器、报警器、自动门控制及通信方面外,还可用于工业上的料位或液位的测量与控制、测距及测厚等方面,应用雨具广泛。

LM1812内部原理框图 特点 LMl812具有如下特点: a. 可以使用一个发送/接收换能器工作,也可使用两个换能器分别发送和接收超声波。
b. 器件具有互换性。
c. 在电路中使用时不用外接晶体管驱动。
d. 使用时不用外接散热器。
e.器件内部具有保护电路。
f.检测器输出可驱动1A的峰值电流。
g.在水中测距超过30m,在空气中测距超过6m。
h.发送功率可达12w(峰值)。
下表为LMl812超声波专用电路的极限工作参数。
极限工作参数


LM1812超声波专用器件工作原理图

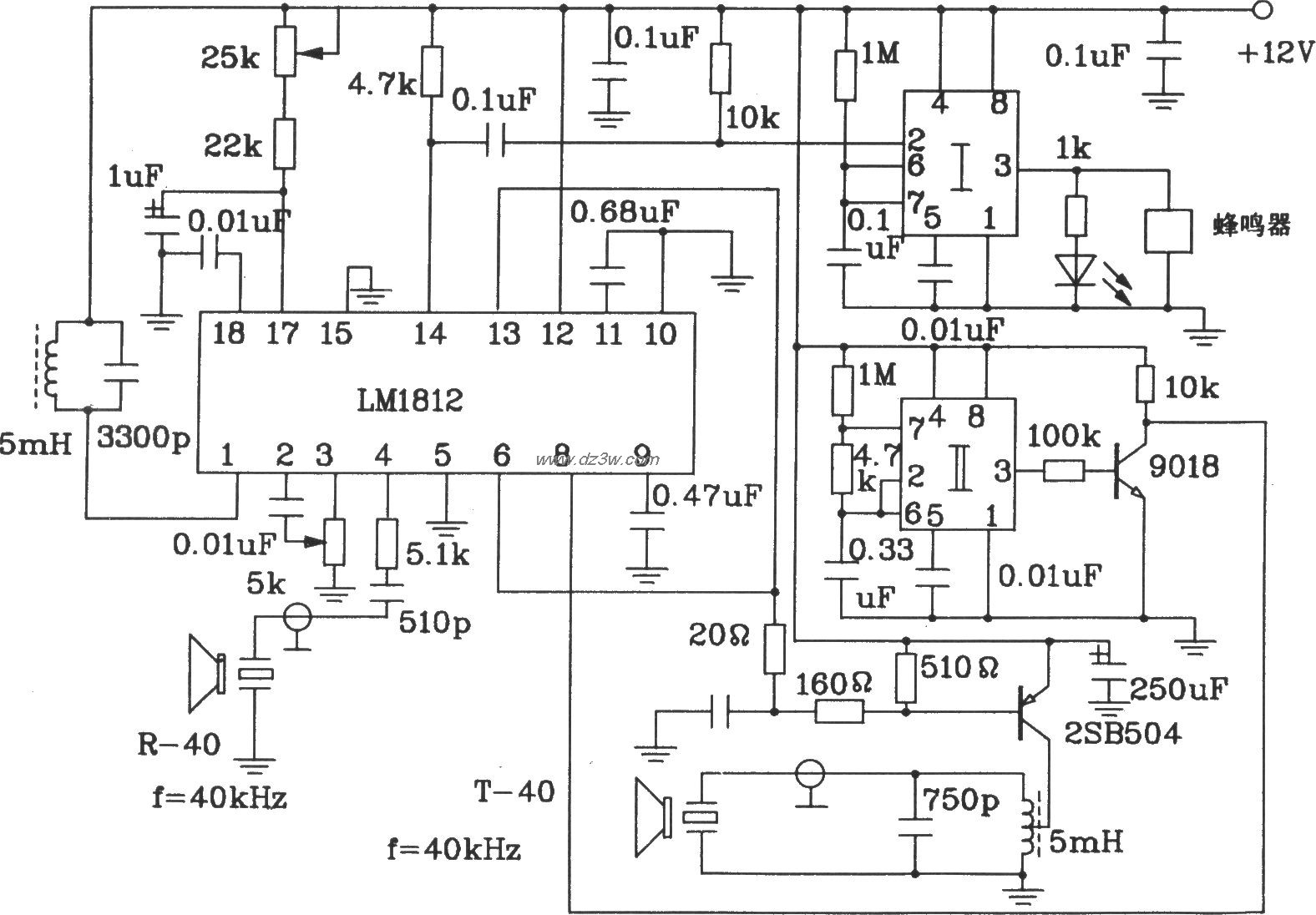
LM1812构成汽车超声波倒车防撞报警器 电路采用LMl812并由时基电路II来控制LM1812的发送与接收(LMl812即发送又接收)。控制距离可用5kΩ的电位器来调节,一般可控制2--3m。
LM1812构成汽车倒车防撞
觉得这篇文章有帮助吗?