遥控电控锁报警器(TH151

📅 发布时间:2013-08-18 07:00 👁️ 浏览:0 🏷️ 标签: 151 TH 遥控 电控

遥控电控锁报警器(TH151A/B,微振动传感器T968)
该电路由防盗主机,门磁传感触发开关,微振动传感开关,含钥匙电控锁,免维护蓄电池及交流供电电源等组成.主机电路:
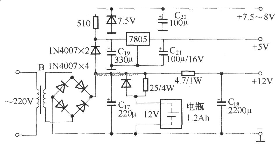
电源电路:
主机和遥控器的工作参数:

 


觉得这篇文章有帮助吗?