红外探测多路无线报警电

📅 发布时间:2013-08-18 07:00 👁️ 浏览:0 🏷️ 标签: 红外探测 多路 无线 报警

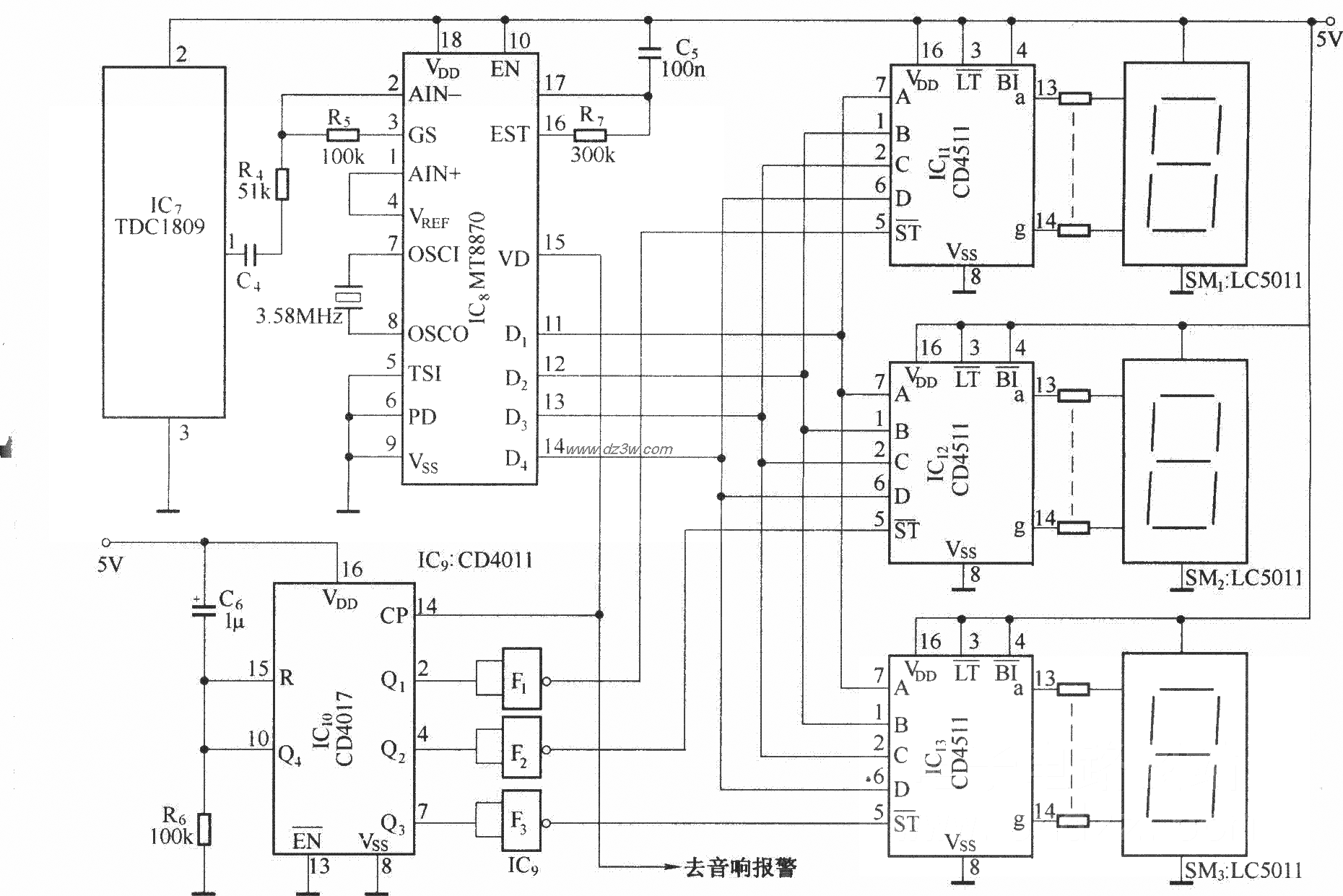
红外探测多路无线报警电路(TDC1808/TDC1809)
发射电路:
接收电路:

 


觉得这篇文章有帮助吗?