
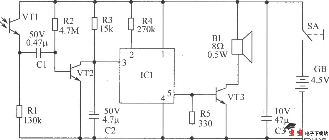
如图所示的防盗报警“犬”具有自动报警、灵敏度高、安全可靠、耗电省的特点,可作为家庭防盗、照顾儿童的得力助手。工作原理:防盗报警“犬”的整个电路由光控电子开关和狗叫声语音集成电路两大部分组成。如图是电路原理图。VT1,VT2及R1、R2,R3、C1、C2等构成光控开关电路,IC1及VT3、R4、R5构等构成狗叫声电路。图中的VT1为光敏三极管,平时在周围环境光源照射下,它等效于低阻值电阻器。VT2的基极通过R2接正电位而导通,IC1语音集成电路得不到正脉冲不工作。当VT1被物体遮挡时,就产生一负脉冲电压,通过C1耦合到VT2的基极,导致VT2截止,IC2集成电路获得一正触发脉冲而工作,输出音频信号通过VT3放大后推动扬声器发出“汪、汪”的狗叫声,起到威慑盗贼的作用,闻声逃遁。如果将电子“警犬”置于阳台门等处,还能起到阻止儿童攀登,达到协助家长看护小孩的目的。元器件选择:IC1选用MSS0287-29狗叫声语音集成电路。VT1用3DU5型光敏三极管;VT2、VT3均采用9013型等硅NPN三极管,β≥100。R1~R5为1/8W碳膜电阻器。C1~C3为型铝质电解电容器,耐压值参见图。BL选YD57-1型8Ω、0.5W电动扬声器。SA为小型拨动开关。电源用3节5号电池。其他元器件如图所示。