五路报警器(CA3083、CW9561)

📅 发布时间:2013-10-08 03:55 👁️ 浏览:1 🏷️ 标签: 3083 9561 CA CW

本电路图所用到的元器件:

CCA3083 CCW9561 3DG12 9013

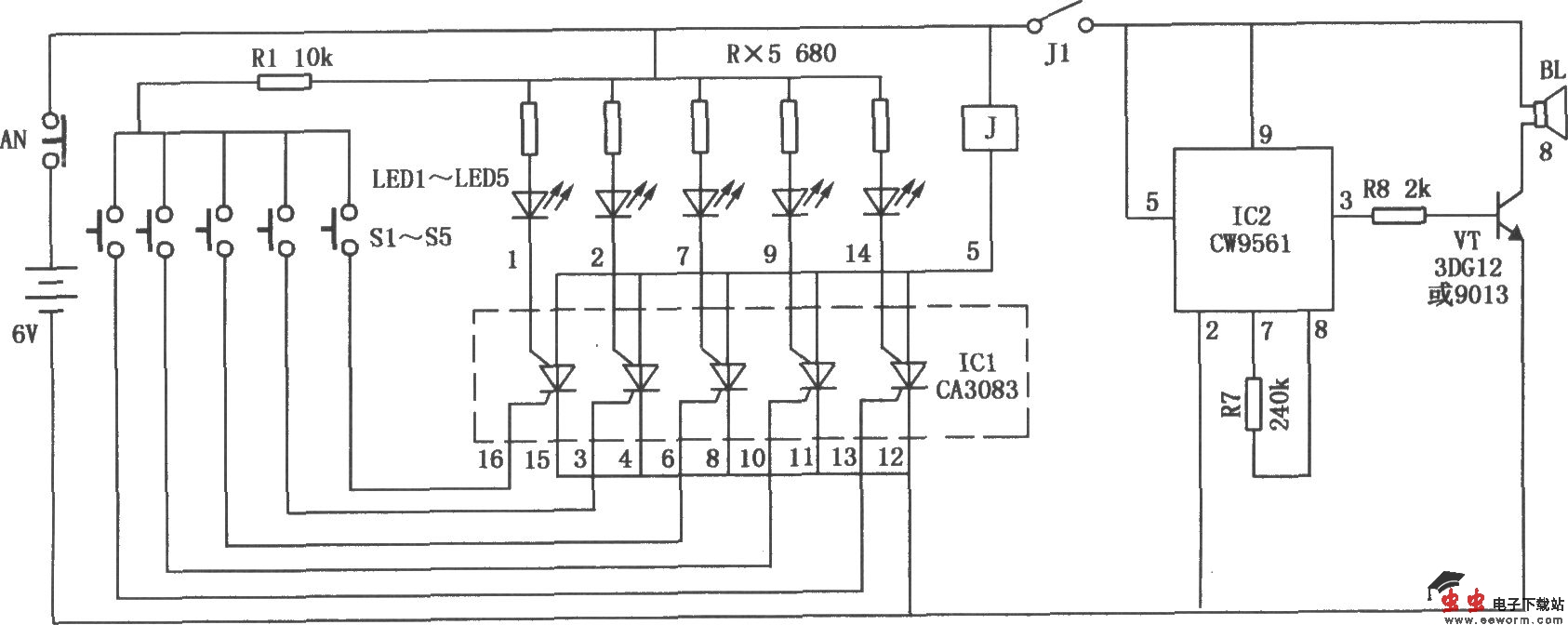
五路报警器电路如图所示,它利用集成电路芯片CA3083构成。平时该电路处于开路状态,电路不耗电,功耗低,可使用干电池供电。

觉得这篇文章有帮助吗?