2100Hz信号发生器电路

📅 发布时间:2013-10-08 01:50 👁️ 浏览:1 🏷️ 标签: 2100 Hz 信号发生器 电路

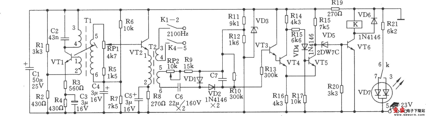
电路如图所示。由振荡、缓冲放大和告警电路组成的2100Hz信号发生器。VTl和相关元件组成集电极调谐振荡器。Rl、R2是VTl的偏置电阻,R3、R4是发射极电阻,用以稳定直流工作点,同时R3还提供交流负反馈,以改善振荡器的性能,C3是R4的旁路电容,以减少信号的损耗。Tl变压器的L3-4线圈与电容C2组成2100Hz的振荡槽路,正反馈电压由L1-2线圈取得。由于它的负载轻,所以振荡频率比较稳定,其频率稳定度≤±5Hz,非线性失真小于5%。VT2及相关元件组成缓冲放大级,采用低阻抗的发射极输出,因而负载发生变化时不致于影响振荡频率和输出电平。R6、R7是VT2的偏置电阻,R8是发射极电阻,用以稳定工作点。振荡级输出信号经电阻R5和电位器RPl组成的电平调节电路输入VT2的基极,经VT2放大后由T2变压器L3-4线圈输出。自动告警电路由施密特触发器和逻辑电路组成。VT4、VT5和相关元件组成施密特触发电路。VT3接成射极输出器,以提高输入阻抗。逻辑放大器由VT6及相关元件组成。从T2的L5-6线圈输出的2100Hz信号经VDl、VD2、电容C6、C7、电阻Rl0组成的倍压整流,送至施密特触发器。当2100Hz输出电平正常时,电容C7两端约为4.4V,此时VT3、VT4导通,VT5截止,VT5集电极电位升高,将齐纳二极管VD5击穿,所以VT6导通,继电器K通电吸合,触点K1-2、K4-5闭合送出2100Hz信号。触点K7-8闭合,发光二极管VD7显示绿色工作指示。当2100Hz输出电平比正常电平低3.5dB时,C7两端电压约为3.4V,达不到触发值,所以VT4截止,VT5导通。因而VD5不通,VT6截止,继电器K失电而释放,触点K1-2、K8-9断开,K8-9闭合。无2100Hz信号输出,发光二极管VD7显示红色告警信号。电位器RP2为调节继电器K动作电平值。

元器件选择

VTl、VT3、VT4、VT5:3DG6C、β=50~115,VT2、VT6:3DGl28、β=85~115。双色发光二极管VD7:BT一605(红、绿两色)。继电器K:PR401—1250Ω。振荡变压器Tl:L1-2为Φ0.11mm高强度漆包线,绕制37匝,L3-4串0.11mm,绕制713匝,L5-6争0.1lmm,绕制358匝。采用罐型铁氧体,型号为MTT22。输出变压器T2:L1-2Φ0.12mm高强度漆包线,绕制141匝,L3-4Φ0.12mm,绕制43匝,L5-6Φ0.12mm,绕制177匝。采用罐型铁氧体,型号为MTT22。电阻除R19为1/4W外,其它为1/8W金属膜电阻。

觉得这篇文章有帮助吗?