1.实验任务
根据设定好的密码,采用二个按键实现密码的输入功能,当密码输入正确之后,锁就打开,如果输入的三次的密码不正确,就锁定按键3秒钟,同时发现报警声,直到没有按键按下3种后,才打开按键锁定功能;否则在3秒钟内仍有按键按下,就重新锁定按键3秒时间并报警。
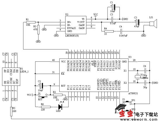
2.电路原理图

图4.32.1
3.系统板上硬件连线
(1).把“单片机系统”区域中的P0.0/AD0用导线连接到“音频放大模块”区域中的SPK IN端子上;
(2).把“音频放大模块”区域中的SPK OUT端子接喇叭和;
(3).把“单片机系统”区域中的P2.0/A8-P2.7/A15用8芯排线连接到“四路静态数码显示”区域中的任一个ABCDEFGH端子上;
(4). 把“单片机系统“区域中的P1.0用导线连接到“八路发光二极管模块”区域中的L1端子上;
(5). 把“单片机系统”区域中的P3.6/WR、P3.7/RD用导线连接到“独立式键盘”区域中的SP1和SP2端子上;
4.程序设计内容
(1). 密码的设定,在此程序中密码是固定在程序存储器ROM中,假设预设的密码为“12345”共5位密码。
(2). 密码的输入问题:
由于采用两个按键来完成密码的输入,那么其中一个按键为功能键,另一个按键为数字键。在输入过程中,首先输入密码的长度,接着根据密码的长度输入密码的位数,直到所有长度的密码都已经输入完毕;或者输入确认功能键之后,才能完成密码的输入过程。进入密码的判断比较处理状态并给出相应的处理过程。
(3).按键禁止功能:初始化时,是允许按键输入密码,当有按键按下并开始进入按键识别状态时,按键禁止功能被激活,但启动的状态在3次密码输入不正确的情况下发生的。
电子密码锁设计
觉得这篇文章有帮助吗?