1.实验任务
用可调电阻调节电压值作为模拟温度的输入量,当温度低于30℃时,发出长嘀报警声和光报警,当温度高于60℃时,发出短嘀报警声和光报警。测量的温度范围在0-99℃。
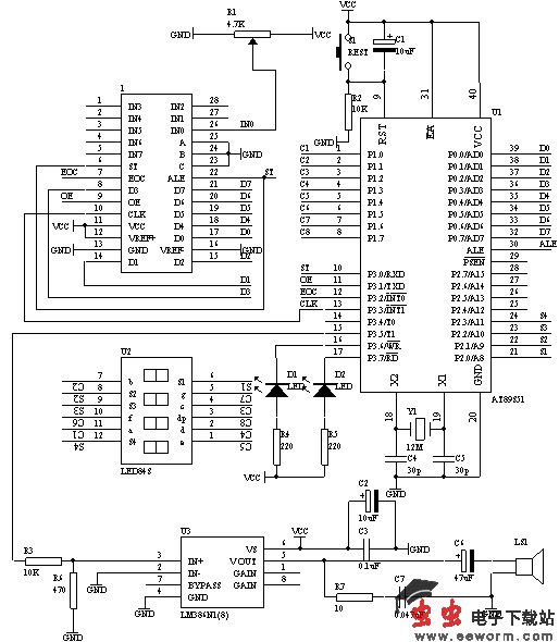
2.电路原理图

图4.29.1
3.系统板上硬件连线
a)把“单片机系统”区域中的P1.0-P1.7与“动态数码显示”区域中的ABCDEFGH端口用8芯排线连接。
b)把“单片机系统”区域中的P2.0-P2.7与“动态数码显示”区域中的S1S2S3S4S5S6S7S8端口用8芯排线连接。
c)把“单片机系统”区域中的P3.0与“模数转换模块”区域中的ST端子用导线相连接。
d)把“单片机系统”区域中的P3.1与“模数转换模块”区域中的OE端子用导线相连接。
e)把“单片机系统”区域中的P3.2与“模数转换模块”区域中的EOC端子用导线相连接。
f)把“单片机系统”区域中的P3.3与“模数转换模块”区域中的CLK端子用导线相连接。
g)把“模数转换模块”区域中的A2A1A0端子用导线连接到“电源模块”区域中的GND端子上。
h)把“模数转换模块”区域中的IN0端子用导线连接到“三路可调电压模块”区域中的VR1端子上。
i)把“单片机系统”区域中的P0.0-P0.7用8芯排线连接到“模数转换模块”区域中的D0D1D2D3D4D5D6D7端子上。
j)把“单片机系统”区域中的P3.6、P3.7用导线分别连接到“八路发光二极管指示模块”区域中的L1、L2上。
k)把“单片机系统”区域中的P3.5用导线连接到“音频放大模块”区域中的SPK IN端口上。
l)把“音频放大模块“区域中的SPK OUT插入音频喇叭。
两点间温度控制
觉得这篇文章有帮助吗?