
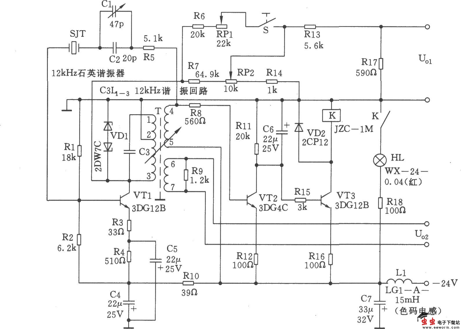
如图所示的12kHz中频振荡器由12kHz石英振荡器、输出电平调整、电平提升电路以及告警电路所组成。它采用新颖单管调谐变量器反馈式振荡电路,在反馈回路中,串接了12kHz石英晶体谐振器,从而使振荡频率取决于l2kHz石英晶体谐振器的性能。在提高振荡器可靠性及输出幅度稳定性方面,采用了交流稳幅电路,在其它方面,本电路尽量采用性能稳定可靠性较高的器件,简化电路,以便得到优良的性能。
技术特性:
(1)标称频率:12kHz;
(2)频率准确度:△f≤±0.5Hz;
(3)频率稳定度:在温度为25℃±20℃范围内,△f≤±lHz;
(4)输出电平U01:-40.8dB/600Ω,调正范围≥3.5dB。电平稳定度△dB≤±0.17dB。
当开关S闭合时,U01电平提升l0.5dB;
(5)输出电平U02: 3.5±0.8dB/1.2kΩ;
(6)振荡器停振时,有可见告警信号。