
如图所示电路由l2kHz中频振荡器,告警电路组成。它采用变量器反馈式振荡电路,其振荡频率主要由石英晶体决定。Cl、C2可以作微调频率。振荡管采用复合管以提高输入阻抗,幅度的稳定由VDl、VD2双向稳压得到。
技术指标:
(1)标称频率:12kHz、频差不超过±1Hz;
(2)频率准确度:在温度为25±25℃范围内,ΔF不超过±lHz;
(3)U01输出电平:-28dB/600Ω,偏差不超过±0.2dB;
(4)U02输出电平: 4.5dB±0.5dB。

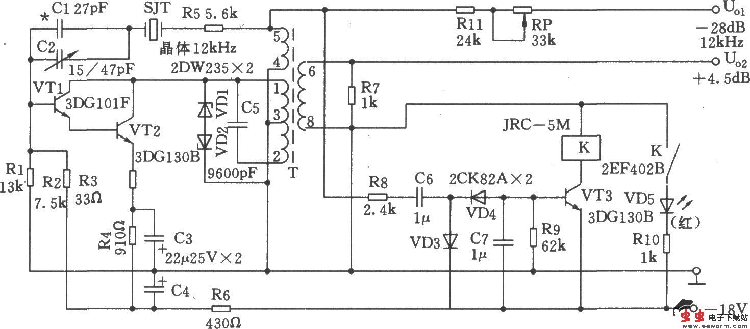
如图所示电路由l2kHz中频振荡器,告警电路组成。它采用变量器反馈式振荡电路,其振荡频率主要由石英晶体决定。Cl、C2可以作微调频率。振荡管采用复合管以提高输入阻抗,幅度的稳定由VDl、VD2双向稳压得到。
技术指标:
(1)标称频率:12kHz、频差不超过±1Hz;
(2)频率准确度:在温度为25±25℃范围内,ΔF不超过±lHz;
(3)U01输出电平:-28dB/600Ω,偏差不超过±0.2dB;
(4)U02输出电平: 4.5dB±0.5dB。