低功耗高效能高压发生器

📅 发布时间:2013-10-04 11:30 👁️ 浏览:2 🏷️ 标签: 低功耗 高效能 高压发生器

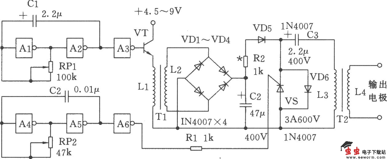
低功耗高效能高压发生器

如图所示为低功耗高效能高压发生器。它采用CMOS集成电路,因此具有电路简单、工作电流小(约数十毫安),工作可靠等优点。适用于电警棍、电栅栏等多种用途。

觉得这篇文章有帮助吗?