
如图所示为高灵敏度大响度的防盗报警器电路。此报警器适用于果园防盗报警。它十分灵敏、响度大,对盗贼的威慑力强,即使短时园中无人,也不用担心果子被盗,因为“抓贼呀”的急促警声响起,易引起人们的注意,吓走盗贼。此报警器采用断线触发方式,一旦触发,即使再连接导线也无用,警声响起约两分钟后自停。该电路制作容易、不调试、效果好,平时不耗电。
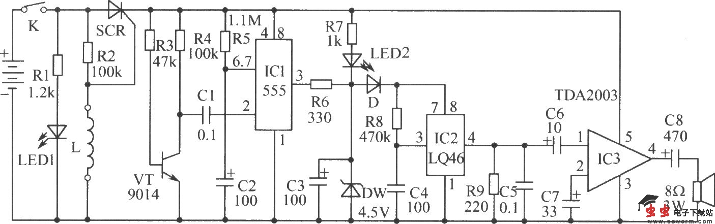
工作原理电路如图所示。SCR、R2、L构成断线可控触发电源开关,L为防盗线。三极管VT和IC1等组成约2min单稳延时触发电路。IC2为语言“抓贼呀”报警电路。平时,K合上,无盗情时,报警防盗线将SCR控制极触发电流对地短路,SCR截止,电路不工作,处于监守状态。当盗者越墙人园中时,由于将导线L拉断,SCR控制极经R2得触发电流而导通,为工作电路供电。三极管VT导通,负脉冲信号经C1触发IC1的2脚后3脚输出高电平,经DW稳压的4.5v电压使IC2工作,发出“抓贼呀”的报警信号,此信号经C6耦合至IC3作功率放大后,扬声器发出响亮的报警声。当IC1触发后,C2经R5充电,约5min后,6脚为高电平,3脚输出低电平,报警电路停止工作。这时,指示灯LED2点亮,表示报警器已工作一次。此时,将电源开关K断开,再连接好防盗线后,重合K电路又进入监空状态。发光二极管LED1作电源指示。
元件选择:IC1为NE555时基电路,IC2选用LQ6语音集成电路芯片,1C3选用TDA2003功放集成电路。三极管β≥100。单向可控硅SCR为1A100V高灵敏触发型。发光二极管为Φ5mm高亮度型,防盗线用漆包线,长度以能围果园一周为准。电源为12V蓄电池。
制作与调试制作时,印制板按所选元器件大小排板。布防盗线时,先在四周围墙上适当高度位置,用竹钉以5m的间距打钉,然后在其上缠绕防盗线绕围墙一周,两端头接电路。为了让防盗线易拉断,可在每段中间剪断,然后再对接好,不可接得太牢靠,要做到稍有压力,接头就能断开为宜。但也要防止虚接,以免开关K合上后易误报警。