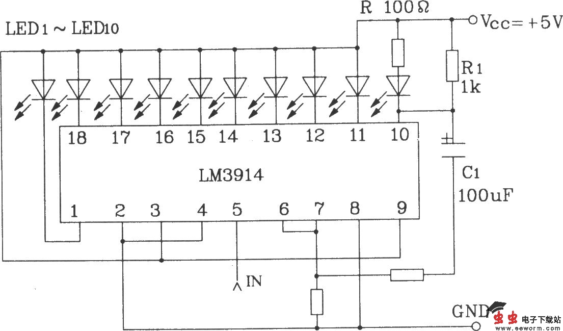
LM3914系列点/线图形LED显示驱动集成电路构成的带有闪光报警的LE

📅 发布时间:2013-10-01 00:30 👁️ 浏览:0 🏷️ 标签: 3914 LED LM 图形

LM3914系列点/线图形LED显示驱动集成电路构成的带有闪光报警的LE

LM3914系列点/线图形LED显示驱动集成电路构成的带有闪光报警的LED显示器电路

觉得这篇文章有帮助吗?