lOW声光警笛电路

📅 发布时间:2013-09-30 21:30 👁️ 浏览:4 🏷️ 标签: lOW 声光 警笛电路

lOW声光警笛电路

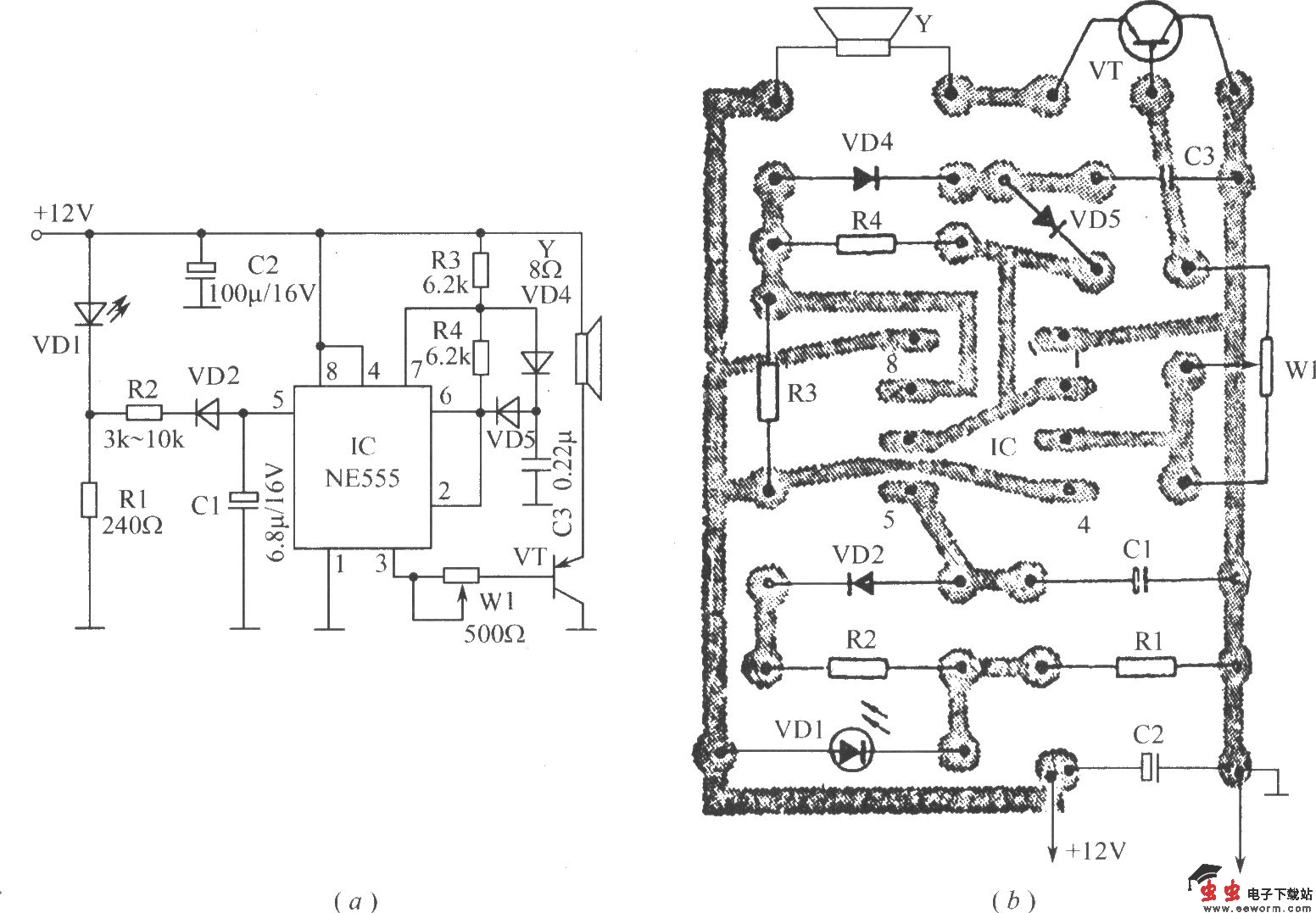
如图所示是一个10W声光警笛电路。该电路能够产生高强度警报声,可以作为防盗警笛。当电源被报警系统接通后,VD1闪烁发光,同时在R1电阻上输出脉冲方波,经过R2、VD2、C1网络后得到三角波,IC是个555时基电路,组成压控振荡器。R3、R4与C3是定时元件。它在三角波控制下,输出变音调信号经VT放大,推动扬声器,其输出功率接近l0W。调整R1可以改变C1上三角波幅度,调整W1可以改变音量。图(b)是印制板安装图。

觉得这篇文章有帮助吗?