水稻育苗床高温报警器电路

📅 发布时间:2013-09-30 04:40 👁️ 浏览:1 🏷️ 标签: 温报警器 电路

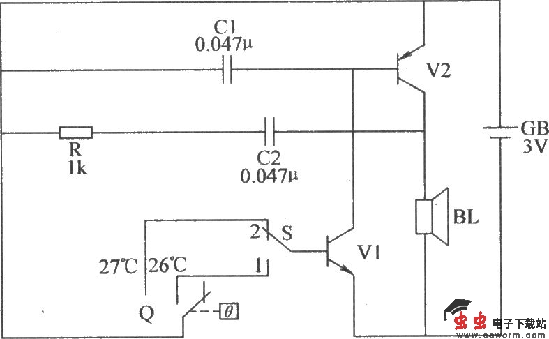
我国北方地区的水稻育苗床多数在大地上作床,床上盖有塑料棚。在稻种发芽后,苗床的温度不能超过27℃;秧苗长到三叶一针时,苗床温度不能超过26℃。当天气热、棚内温度高时,应将育秧棚的塑料布揭开一点,适时通风练苗,这样培育出的秧苗才能又粗又壮。 本例介绍的水稻育苗床高温报警器,能在育秧棚内温度超过27℃(或26℃)时,发出声音报警,提醒农户及时通风练苗。 该水稻育苗床高温报警器电路由电热点温度计Q、转换开关S、晶体管V1、V2、电阻器R、电容器C1、C2、扬声器BL和电池GB组成(V1、V2和C1、C2、R、BL组成互补式振荡器电路),如图所示。

水稻育苗床高温报警器电路 

元器件选择 R选用1/4W金属膜电阻器或碳膜电阻器。 C1或C2选用涤纶电容器或独石电容器。 V1选用3DG6或S9013型硅NPN晶体管;V2选用3AX81型锗PNP晶体管。 BL选用0.25W、812的电动式扬声器。 Q选用固定式电热点水银温度计。 S选用单极双位拨动开关。 GB使用两节5号干电池。

觉得这篇文章有帮助吗?