温度监测报警器电路

📅 发布时间:2013-09-30 04:30 👁️ 浏览:2 🏷️ 标签: 温度监测 报警器电路

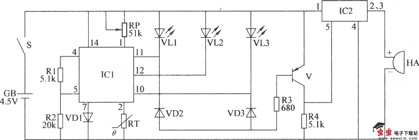
本例介绍的温度监测报警器,具有“高”、“中”、“低”3档温度指示,能在温度偏高或偏低时发出报警信号,可用于大棚、温室等需要温度监控的场合。 该温度监测报警器电路由温度检N/指示电路和声音报警电路组成,如图所示。

温度监测报警器电路 元器件选择 R1~R4选用1/4W金属膜电阻器或碳膜电阻器。 RP选用合成膜电阻器或可变电阻器。 RT选用负温度系数热敏电阻器。 VD1~VD3均选用IN4148型硅开关二极管。 VL1~VL3均选用φ3mm的发光二极管。 V选用S8550或3CG8550型硅PNP晶体管。 IC1选用ZH-3型测光专用集成电路;IC2选用TWH8778型电子开关集成电路。 HA选用内置报警音源的直流电磁蜂鸣器。

觉得这篇文章有帮助吗?