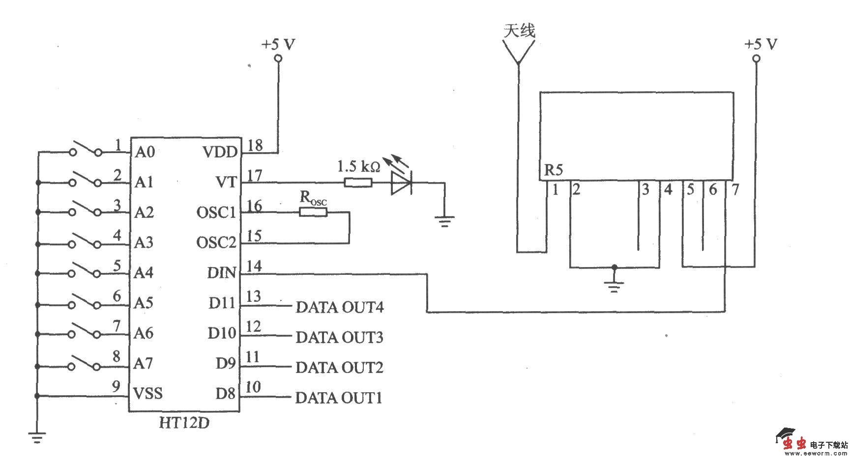
R5是英国RF Solutions公司开发的一款微型的UHF接收器模块,与发射器模块T5配套使用,接收距离可达300 m以上。它适合一对一或多点无线连接应用,如车辆的报警系统、库房大门的遥控开启、家庭和商贸安防系统等领域。 主要技术特点如下: ·工作频率为433.92 MHz; ·灵敏度为-l05 dBm; ·IF带宽为230 kHz; ·片内AGC控制,有信号强度指示输出,数字和模拟信号输出; ·电源电压为4.5~5.5 V; ·最大工作电流为6 mA。
R5的应用电路
R5是英国RF Solutions公司开发的一款微型的UHF接收器模块,与发射器模块T5配套使用,接收距离可达300 m以上。它适合一对一或多点无线连接应用,如车辆的报警系统、库房大门的遥控开启、家庭和商贸安防系统等领域。 主要技术特点如下: ·工作频率为433.92 MHz; ·灵敏度为-l05 dBm; ·IF带宽为230 kHz; ·片内AGC控制,有信号强度指示输出,数字和模拟信号输出; ·电源电压为4.5~5.5 V; ·最大工作电流为6 mA。
R5的应用电路