
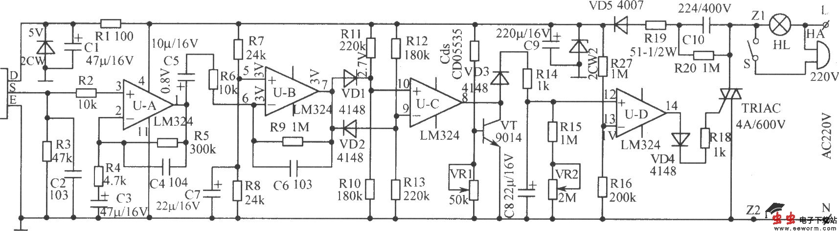
如图所示为红外报警开关电路。它采用国内外最流行的PIR人体热释电传感器作信号探测器,灵敏度高,探测距离可达10m以上,其俯视角可达86o,水平视角可达120o。因它仅对人体释放的、特定波长的红外光最敏感,因而误动作极小。当有人在其探测区域内以0.3Hz~3Hz的频率活动时,它就能感生出微弱的电信号,经U-A、U-B两级放大后,从U-B7脚输出0.5V~5.5V的强信号。VD1、VD2、R10~R13及U-C组成双门限比较器,因PIR感生的信号电压可正可负,故U-B7脚输出的电压亦可正可负(对中心电压3V而言)。当其输出的电压达到4.1V以上时,通过VD1施加于U-C10脚的电压高于9脚的电压(3.3V),使U-C8脚输出高电位;而当U-B7脚输出的电位低于2V时,则U-C9脚的电压将通过VD2下降至2.7V以下,其8脚也输出高电位。平时无信号时,由于U-C9脚的电位(3.3V)高于10脚(2.7V),故8脚无输出。当PIR接收到信号时,8脚就一定输出高电位,通过VD3、R14给C8充电,使U-D12脚电位高于13脚,其14脚输出高电位触发双向晶闸管导通,点亮电灯。由于C8所储电能通过R15、VR2放电需时约2min,故在此2min内灯一直亮着。当C8上的电压低于13脚电压(1V)时,14脚无输出,晶闸管关闭,灯自动熄灭。在夜间人眠或家中无人时,可将开关S闭合,一旦有小偷潜入探测区域内,在灯亮的同时会伴随着铃声大作,可以将小偷吓跑,起到防盗的作用。
光控电路由光敏电阻CdS及三极管VT等组成。白天因光敏电阻的阻值很小(10kΩ以下),三极管VT饱和导通,将U-C8脚钳位至0.3V左右,故无论有无感应信号,晶闸管均不能导通,灯不能点亮;到了夜晚,因光敏电阻的阻值变大到几兆欧,三极管VT导通截止,U-C8脚不再受其钳位,一旦PIR接收到信号,8脚就立即输出高电平,使晶闸管导通,将灯点亮。