本文介绍的报警器采用无线反馈报警原理,由两大部分组成:第一部分由防盗入侵探测器和微型无线报警发射机组成;第二部分为无线报警接收控制器。使用时将第一部分安装在储藏室、车库等需要防范的场所;第二部分则放置在居民住室内。
电路原理
一、入侵探测器和微型报警发射机部分
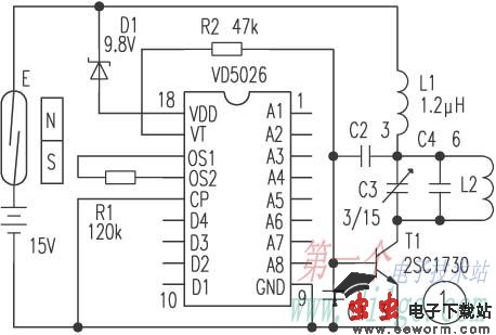
图1为入侵探测器和微型无线报警发射机的电路原理图。小磁铁与触点常闭型干簧管E组成入侵探测器,将小磁铁安装在储藏室的门扇上,干簧管E紧靠小磁铁,安装于相对的门框上。平时门处于关闭状态,由于小磁铁紧靠E,使E内部两常闭触点依靠外磁力作用而断开,微型发射机因无电源不工作。一旦发生盗情,小磁铁就会随门扇远离E,E失去外磁场的作用,其内部两触点依靠自身的弹力而闭合,微型发射机得电立即发出编码报警电信号。IC1(VD5026)是一数字编码集成电路,其共设8个地址码,即A1~A8;4个数据码,即D1~D4。(编者注:VD5026/5027的相关介绍可参见今年《电子报》第35期本版中《编解码电路与系统安全》一文)。经地址编码的数据由IC1的{17}脚输出。IC1的振荡频率由外接电阻R1决定,R1阻值越小,振荡频率越高。R1的阻值可在120kΩ~470kΩ之间选择,但应注意R1的阻值必须和报警接收部分的解码器VD5027的振荡电阻R15(见图2)的阻值严格一致,否则无法可靠解码。晶体管V1与C1、C2、L1、L2等元件组成调制和射频发射电路,其发射频率在300MHz左右,为了增加发射电路的稳定性,天线L2可直接印制在电路板上。
二、无线接收报警控制器
图2是无线接收报警控制器的电路原理图,它由超再生接收、放大、整形、译码电路及报警信号发生电路等部分组成。
由天线输入的300MHz射频信号,经C1送到T1的发射极,通过T1高频放大后,经C4送至超再生射频解调器T2的发射极,解调出的编码数据脉冲信号经C12送至运放集成电路IC1的A1和A2进行放大和整形,最后送入解码电路IC2的第{14}脚进行数据解码。解码集成电路VD5027是编码集成电路VD5026的配对电路。使用中VD5026和VD5027两电路的地址码A1~A8应绝对保持一致,它们的状态码也应保持一样。当VD5026停止发送信号(发射机关机)时,VD5027的{17}脚VT端复零。电路中利用单向可控硅SCR做报警保持,VD5027的{17}脚呈高电平时,SCR被触发导通,音乐片9561因得电而输出报警信号,推动喇叭发声,报警指示灯D2点亮。此后,即使VD5027的{17}脚复零,由于可控硅SCR已导通,因而报警喇叭将一直发声,直至按下报警解除开关K2为止。
为了防止停电发生漏报警,无线报警接收控制器采用交、直流两种方式供电,并可自动转换。当有交流电源时,整流输出的9V电源加在二极管D5的负极,二极管D5截止,电路依靠交流供电工作。一旦交流停电,D5的负端因失去9V电压而导通,9V电池通过D5给电路供电,实现交、直流供电自动切换。
元件选择
图1中的小磁铁和干簧管E可在市场上购买成品的常闭式门窗戒备传感器。要求防范场所的门扇和门框之间的间隙要小,门关闭后要牢靠,否则被风吹动可能引起误报警。L2可用镀银线或∮1.5mm的漆包线围成,也可直接印刷在电路板上。编码器不需要编码开关,只要将某点与电源正极或负极相连即可。电源用15V叠层电池。整个发射电路可制作在一块比火柴盒还小的电路板上。
图2中的报警信号接收和报警控制部分中,T1、T2的 β值要求不大于100。电感L1用4.7μH的色码电感,L2用∮0.5mm的漆包线在∮4mm的钻头上绕3匝自制,天线可用30cm长的软导线代替,K2为报警解除开关,应采用触点常开按钮。电池为9V叠层电池。整个电路除电源开关、报警解除开关、电源指示灯、报警指示灯安装在面板上外,其它元件均安装制作在一块电路板上。
制作调试
根据图1、图2选好元件、焊接在电路板上,将VD5026和VD5027的地址码和状态码设置一致,检查无误后即可通电调试。
调试的难点为收发频率要严格一致,为此需要将报警发射部分和报警接收部分的调试配合起来进行。初次安装调试,为了确保调试成功,最好在示波器的配合下进行。首先,将发射机部分中的干簧管两端用短接线短路,让发射机一直工作,接通接收部分的电源,先将R16焊开,将示波器的探头接在图2中IC1(LM358)的⑦脚处,将发射机靠近接收机(相距20cm左右),用无感起子调节发射机的微调电容C3和接收机的微调电容C9,直到示波器上有编码脉冲显示为止。再拉开发射机和接收机的距离,使发射机和接收机相距10m左右,将示波器的探头改接在图2中IC1(LM358)的②脚上。仔细调整接收部分的微调电容C9和电感线圈L2,直到示波器显示的解调输出的编码脉冲信号的波形幅度最大为止。然后再调整发射机的微调电容C1,边调整边观察示波器波形的变化,使波形幅度达到最大值。反复几次使之达到最佳状态。如果一切都正常,可接上电阻R16,此时扬声器应发出报警声,报警指示灯发光,断开发射机电源,报警仍能维持,按下报警解除开关后,报警应解除。最后可拉开距离进行实验,本报警器在调试正常的情况下,报警距离可达50m以上。[!--empirenews.page--]
本报警器电路简单,整机成本仅几十元。通过改变其发射端的传感器,并设置VD5026/5027的地址码、状态码可大大拓展本报警器的用途(如多路报警、数据传输等)。
济南 吕立波
实验点评:整个电路的设计比较完整,且结构简单,按作者的电路,取R1、R15为240kΩ,SCR取CR100-6, 完成电路制作后,用示波器调通电路,效果能达到作者文中所述。不足之处是本机的抗干扰和传输距离还有待提高,当有干扰和障碍物时,效果明显降低。
此电路的工作原理和设计方法可作为无线电爱好者的参考。
