光线感应报警器

📅 发布时间:2013-09-26 11:50 👁️ 浏览:2 🏷️ 标签: 光线 报警

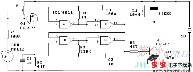
当光敏电阻未感应到光照时呈高阻状态,Q1截止,后级电路不工作;当光敏电阻被光线照射后立即转换为30Ω以下的低阻状态,Q1获得偏置导通,由CD4011组成的振荡器开始工作,振荡信号经Q2放大后驱动压电片发出报警信号。
本电路稍加改动后,也可以用于继电器或可控硅的驱动。


觉得这篇文章有帮助吗?