多功能调光台灯电路

📅 发布时间:2013-09-25 23:35 👁️ 浏览:1 🏷️ 标签: 多功能 调光台灯 电路

多功能调光台灯

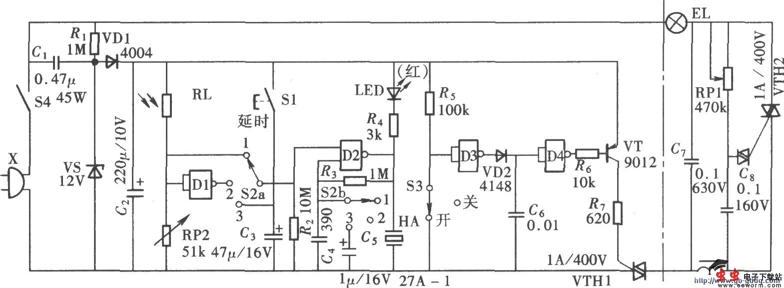
多功能调光台灯除了具有调光功能外,还具有测光报警、催眠及延时关灯功能,电路组成如图所示。电路由四-二输入端施密特触发器CD4093组成。其中由门Dl与光敏电阻RL、RP2组成测光与光控信号输出电路。RL与RP2分压后组成D1的输入偏置电路,当环境光线较亮时,RL的阻值较小,通过分压使Dl的输入端为高电平,它的输出端为低电平。反之,当光线较暗时,Dl输出高电平。

觉得这篇文章有帮助吗?