TQ9223C TDMA/AMPS l000~800 MHz接收器

📅 发布时间:2013-09-29 06:30 👁️ 浏览:2 🏷️ 标签: 9223C 9223 TDMA AMPS

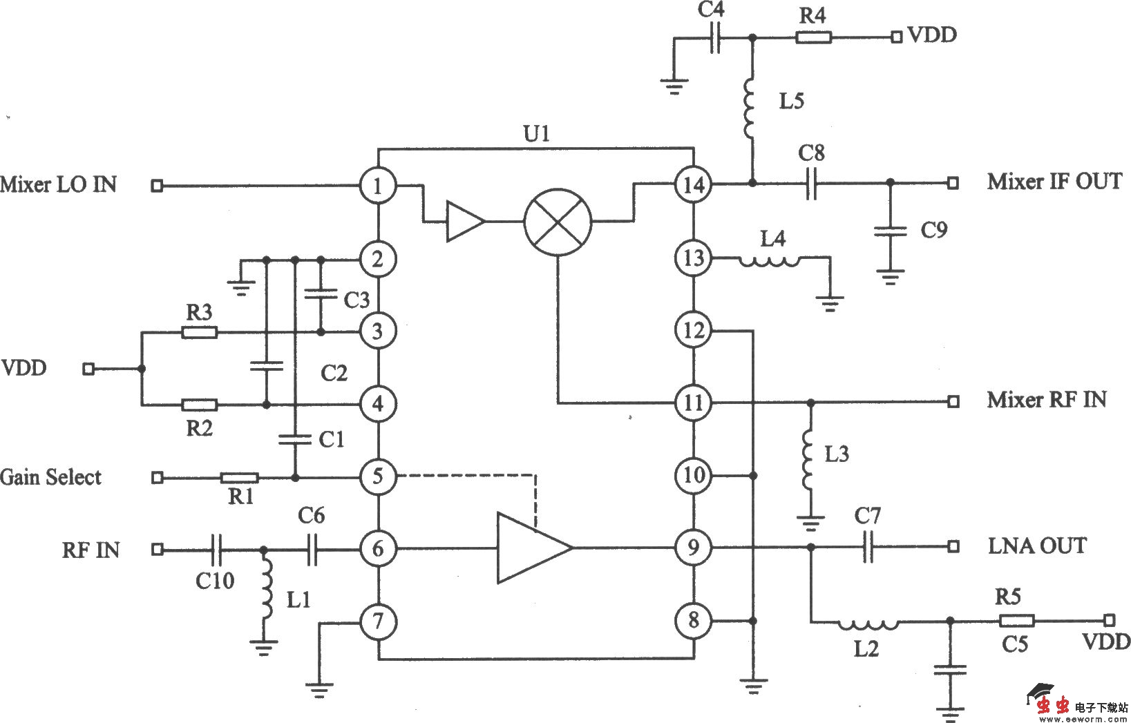
TQ9223C是3V RF下变频接收器芯片,是专门为高动态范围蜂窝通信标准设计的。它适合AMPS、数字移动电话、无绳电话和数据处理终端的应用。 主要技术特点如下: ·工作频率为800~1000 MHz; ·低噪声放大器(LNA)输出和滤波器输入内部相匹配,使得设计简单; ·有低功耗、睡眠模式,电池使用时间长; ·增益为l9.0 dB; ·噪声系数为2.6 dB; ·输入第三截点为-110 dBm ·单电源(3 V)工作; ·直流电源电流为l5.0 mA; ·使用外部元件很少。

 

TQ9223C的应用电路 TQ9223C应用电路的元器件

 

觉得这篇文章有帮助吗?