MCl3135/MCl3136 FM 200 MHz双变换窄带调频接收器

📅 发布时间:2013-09-29 04:40 👁️ 浏览:0 🏷️ 标签: MCl 3135 3136 200

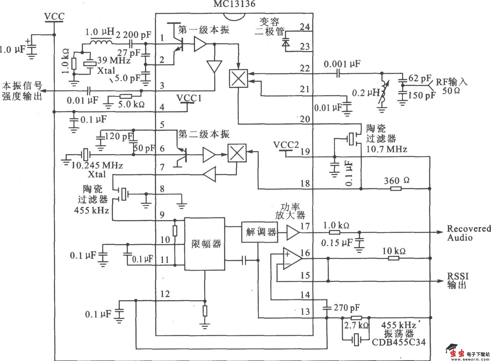
MCl3135/MCl3136是Motorola第二代改进型双变换调频通信接收器芯片。其改进了音频恢复和音频驱动电路。MC13135的解调器设计使用LC正交检波器,运算放大器作为RSSl缓冲器或数据比较器;MCl3136的解调器设计使用陶瓷鉴频器或者LC线圈,而运算放大器在内部连接作为RSSl输出的电压缓冲器。MC13135/MC13136适合在无绳电话、短距离数据链接、移动话筒、低成本地面移动物品控制、业余无线电接收器、婴儿监视器和扫描仪中应用。 主要技术特点如下: ·完全双变换调频接收器一天线输入音频输出; ·工作频率为200 MHz; ·RSSl电压缓冲器可使用范围为70 dB; ·恢复音频范围(VRF=1.0 mV):MCl3135为170~300 mV/ms,MC13136为215~365 mV/ms; ·电源电压为2.O~6.0 V(2节镍铬电池供电); ·电流消耗为3.5 mA(典型值); ·音频输出阻抗小于25 Ω; ·第一级本振使用晶振或压控振荡器; ·第一级本振缓冲器输出驱动CMOS锁相环频率合成器; ·单独的调谐二极管。

 

MCl3135在49.7 MHz的单频道窄带调频接收器电路

 

MCl3136在49.7 MHz的单频道窄带调频接收器电路

觉得这篇文章有帮助吗?