T5744 ASK 450~300 MHz接收器

📅 发布时间:2013-09-29 04:25 👁️ 浏览:1 🏷️ 标签: T5744 ASK 450 300

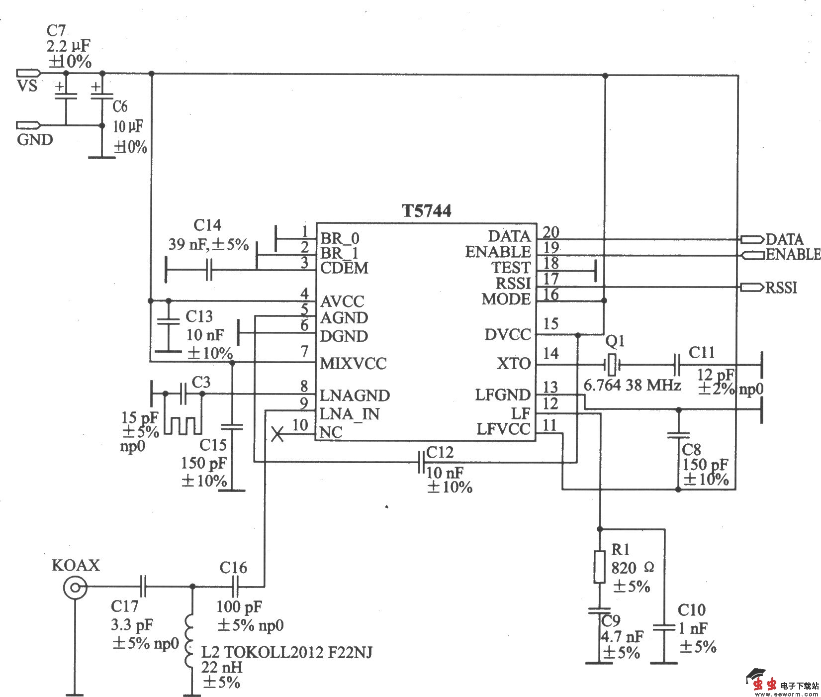
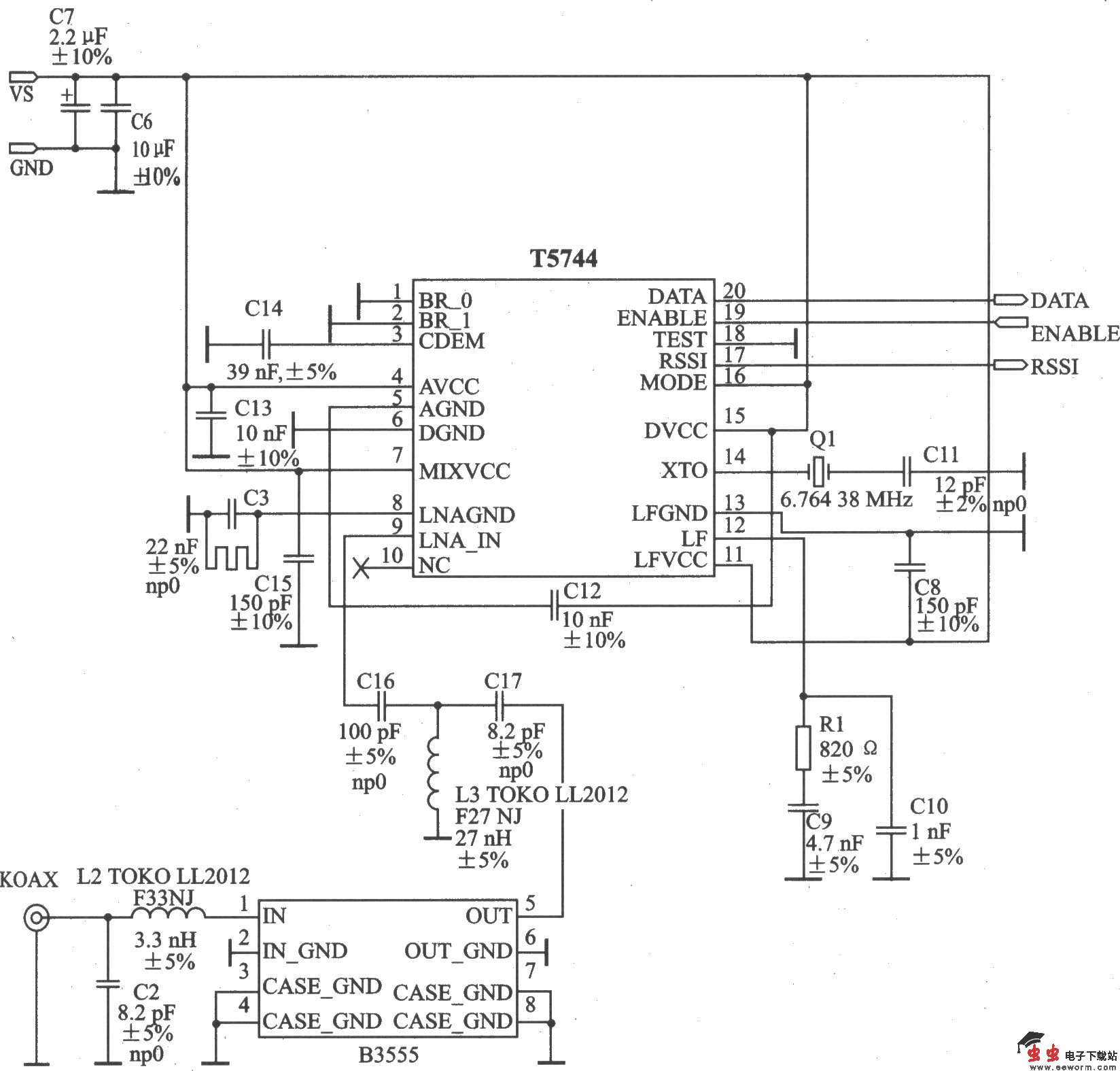
T5744是一款单片PLL接收机器件。它是为满足低数据率、低成本RF数据通信系统要求而开发出来的。T5744主要应用在无线电遥测、保安技术和无键输入系统等领域。 主要技术特点如下: ·除天线适配电路外,只需很少外围电路,PCB板上没有其他RF元件; ·编码方式为曼切斯特或双相位方式; ·完全集成VC0; ·电源电压为4.5~5.5 V; ·数据传输速率为l~10 Kb/s; ·工作频率为300~450 MHz; ·单端RF输入,容易与λ/4天线或PCB板的印制天线相适配; ·ASK调制/解调方式; ·通过RSSl指示信号强度; ·有工作和睡眠模式选择; ·符合美军标MIL-STD883 ESD保护(4KV HBM); ·在中频放大器结构中使用SAW前端滤波器,有非常高的镜像抑制特性; ·利用微控制器μC可以实现电源管理。

 

T5744工作在433 MHz不用SAW滤波器的应用电路

 

T5744工作在433 MHz用SAW滤波器的应用电路

觉得这篇文章有帮助吗?