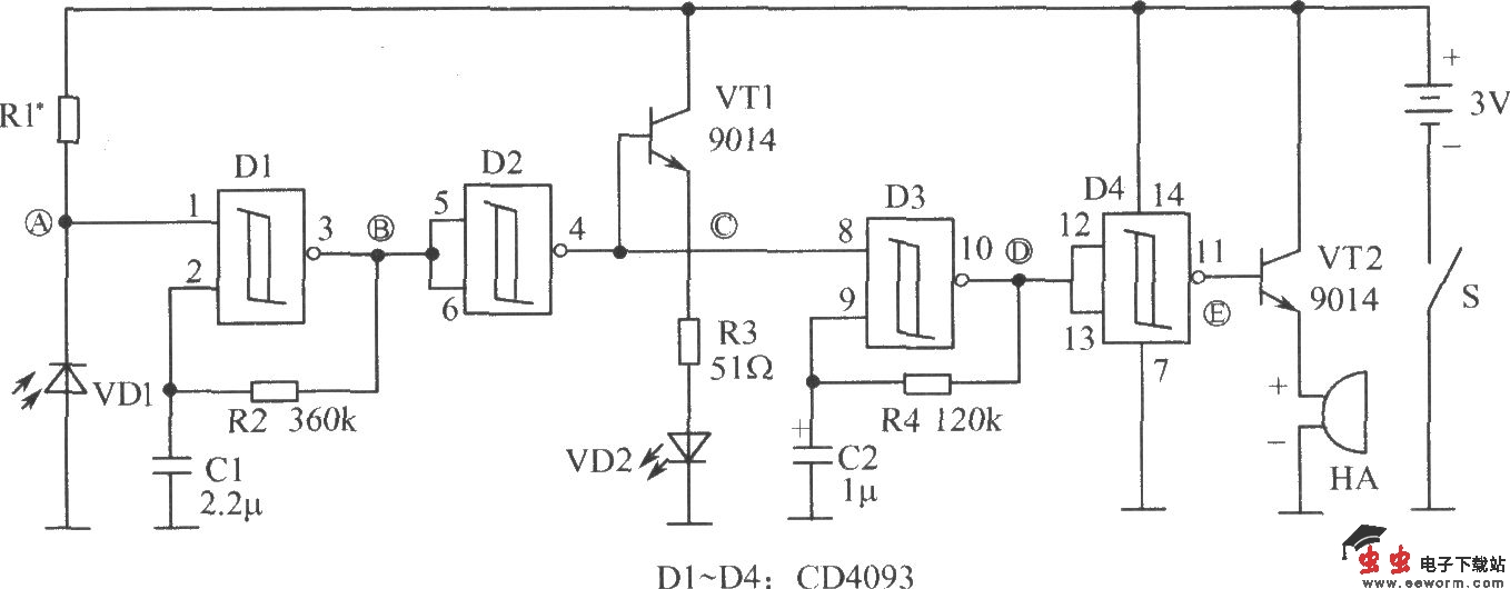
在光线昏暗的环境下阅读或书写,会影响人们的视力,特别是对于正处在长身体时期的青少年危害更大。光线照度提醒电路会在光线低于阅读标准时,提醒你及时开灯或停止阅读与书写,以保护视力。如图所示光线照度提醒电路包括:光敏二极管VD1等组成的测光电路;由施密特与非门D1与D2、D3与D4等分别组成的两级多谐振荡器;晶体管VT1、发光二极管VD2等组成的发光电路;晶体管VT2和自带音源讯响器HA等组成的发声电路。电路工作原理是:当光线较强时,VD1趋于导通,A点为低电平,使D1、D3停振,无声无光。当光线昏暗时,VD1趋于截止,A点为高电平,D1起振,输出脉宽1s的方波,经D2倒相后使VD2闪烁发光;同时控制D3间歇起振,振荡频率约3Hz,振荡间隔约1s,使HA间歇性断续发声,声、光同时提醒你光线不足。 光线照度提醒电路
在光线昏暗的环境下阅读或书写,会影响人们的视力,特别是对于正处在长身体时期的青少年危害更大。光线照度提醒电路会在光线低于阅读标准时,提醒你及时开灯或停止阅读与书写,以保护视力。如图所示光线照度提醒电路包括:光敏二极管VD1等组成的测光电路;由施密特与非门D1与D2、D3与D4等分别组成的两级多谐振荡器;晶体管VT1、发光二极管VD2等组成的发光电路;晶体管VT2和自带音源讯响器HA等组成的发声电路。电路工作原理是:当光线较强时,VD1趋于导通,A点为低电平,使D1、D3停振,无声无光。当光线昏暗时,VD1趋于截止,A点为高电平,D1起振,输出脉宽1s的方波,经D2倒相后使VD2闪烁发光;同时控制D3间歇起振,振荡频率约3Hz,振荡间隔约1s,使HA间歇性断续发声,声、光同时提醒你光线不足。 觉得这篇文章有帮助吗?