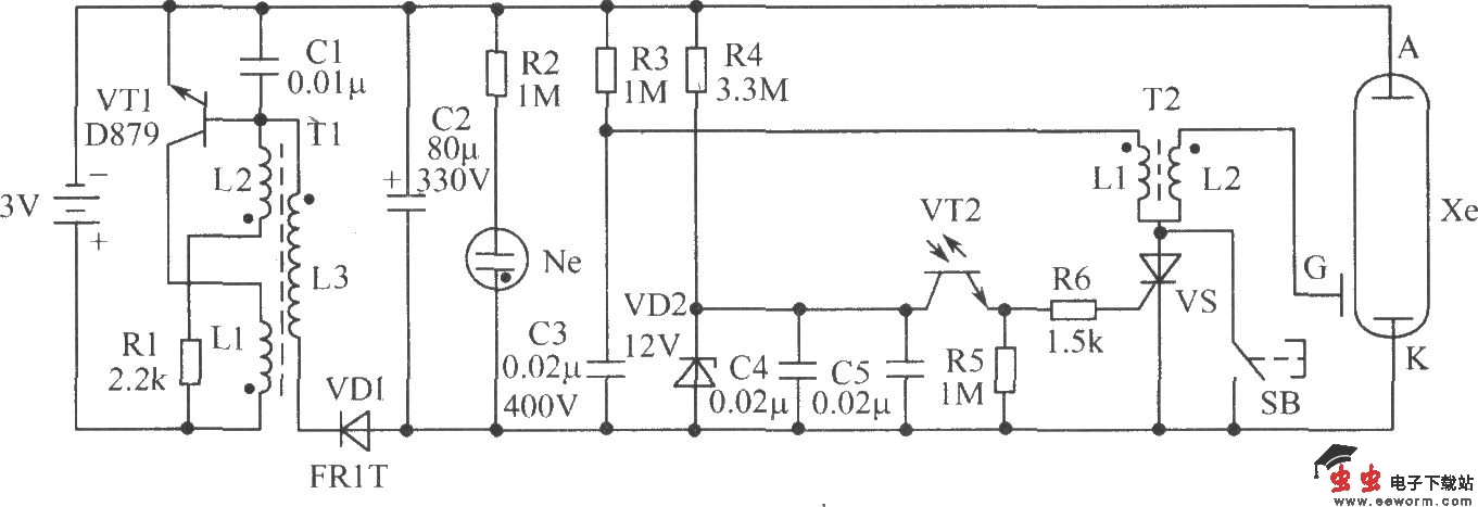
利用电池供电的同步闪光灯电原理图

📅 发布时间:2013-10-08 20:25 👁️ 浏览:2 🏷️ 标签: 电池供电 原理图 闪光灯
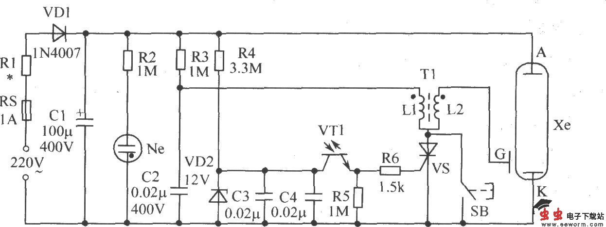
摄影爱好者在室内进行静物或人像摄影创作时,摄影灯光的布置是个重要的环节,除了大功率摄影灯外,利用如图所示的同步闪光灯是投资少、节约能源的选择。元器件选择:VT1要选电流在0.5A以上、耐压30V以上,放大倍数在200以上的***率管,光敏三极管可选用红外遥控装置中的红外接收管代用。因氙灯闪光有较强的近红外线辐射,红外接收管可避免环境杂散光线的干扰。单向晶闸管选用常见的1A、耐压400V以上的即可。高压整流管VD1工作在高频振荡状态,不宜选用常用整流管,如1N4007之类,宜选用开关电源用快速恢复二极管,耐压1000V以上。触发电路中的C3,因待机时的电压超过300V,故不能采用普通电容,应采用耐压400V的CBB电容。照相机内藏闪光灯的闪光管长20mm~30mm,储能主电容器的大小与闪光管、闪光指数有关,可根据需要和可能选用。振荡变压器因工作频率为10kHz左右,铁芯为E型铁氧体,L1、L2和L3的参考匝数为12、24、1250。触发线圈的L1、L2参考匝数为20、600,次级线圈L2要分3段绕制。该电路可以用交流电直接供电,电路如下图所示:
觉得这篇文章有帮助吗?