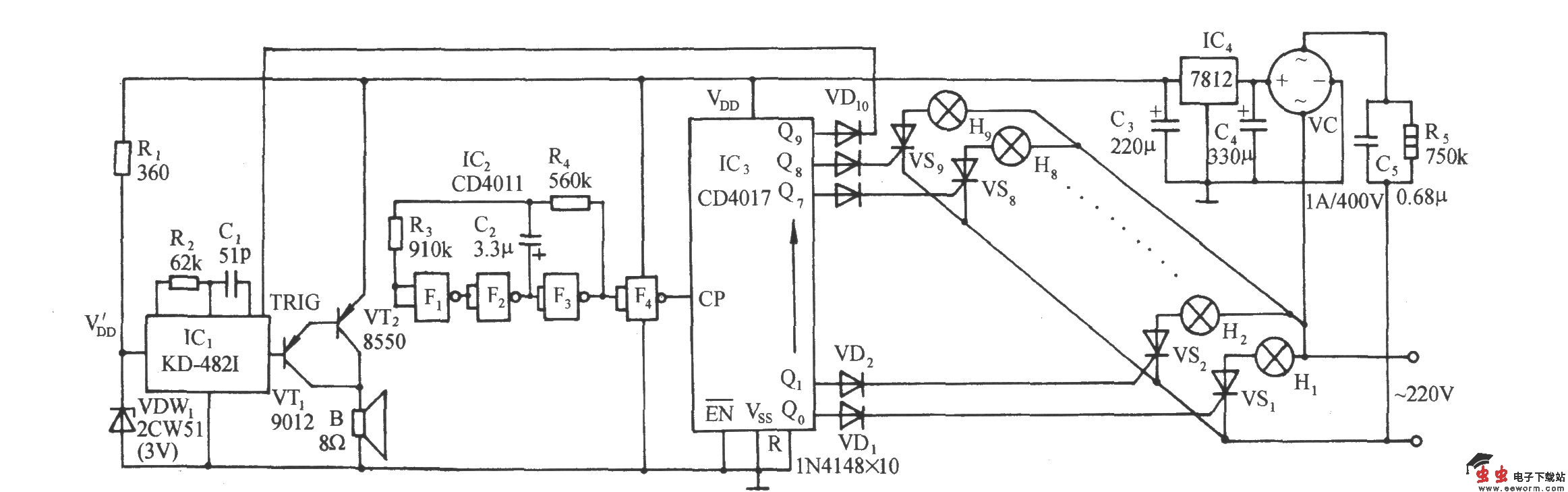
九路彩灯伴16首名曲播放控制电路

📅 发布时间:2013-10-08 11:05 👁️ 浏览:1 🏷️ 标签: 彩灯 播放 控制电路

本电路图所用到的元器件:

KD-4821 9012 8550 CCD4011 7812

觉得这篇文章有帮助吗?