本电路图所用到的元器件:
CCD4069
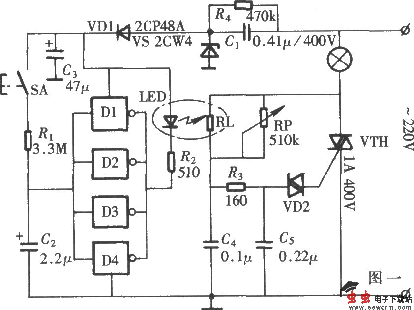
如图所示的灯光控制器具有灯光渐亮渐灭功能,它可以使开灯时不会出现灯光突然变亮对人眼睛的刺激,也可减小开灯时冲击电流对灯泡可能造成的损坏,电路组成如图所示。该电路由一足六反相器电路CD4069组成光耦合器中发光二极管驱动电路,为了增强电路的驱动能力,四只反相器并联使用。
本电路图所用到的元器件:
CCD4069
如图所示的灯光控制器具有灯光渐亮渐灭功能,它可以使开灯时不会出现灯光突然变亮对人眼睛的刺激,也可减小开灯时冲击电流对灯泡可能造成的损坏,电路组成如图所示。该电路由一足六反相器电路CD4069组成光耦合器中发光二极管驱动电路,为了增强电路的驱动能力,四只反相器并联使用。