LC182卡拉0K音频压控同步彩灯控制电路

📅 发布时间:2013-10-08 10:40 👁️ 浏览:1 🏷️ 标签: 182 LC 音频 压控

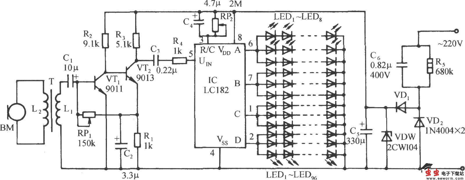
本电路图所用到的元器件:

LC182 9011 9013

电路如图所示。它由拾音器及阻抗变换器,直耦式双管放大器、彩灯控制器和直流供电电压源等组成。

觉得这篇文章有帮助吗?