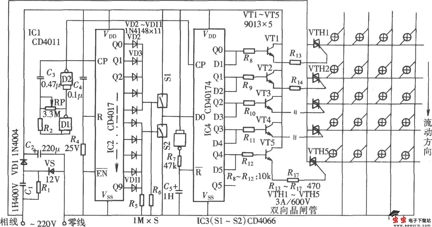
由CD4017、CD40174组成的流水式广告灯电路

📅 发布时间:2013-10-08 09:45 👁️ 浏览:4 🏷️ 标签: 40174 CD 4017 广告灯

本电路图所用到的元器件:

CCD4017 CD40174 CCD4066 9013

如图所示的流水式广告灯控制器可控制5组灯作流水式运动,每组由4只白炽灯组成,共20只灯。它的控制形式为:首先由上而下逐一点亮,然后又由上而下逐一熄灭。如此反复循环,形成流动效果,电路组成如图所示。该电路由脉冲发生器、灯光流动控制器和晶闸管触发电路等组成。

觉得这篇文章有帮助吗?