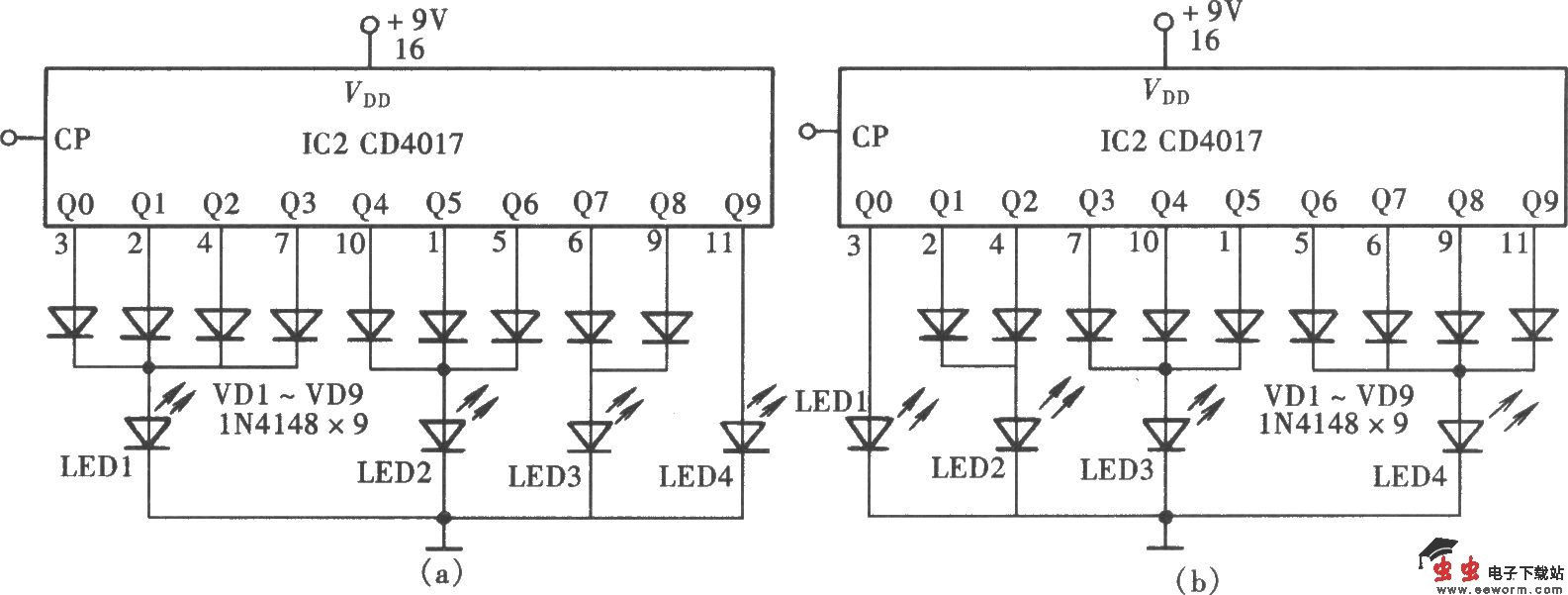
由CD4017组成的LED加、减速运动显示器

📅 发布时间:2013-10-08 09:15 👁️ 浏览:2 🏷️ 标签: 4017 LED CD

本电路图所用到的元器件:

CCD4017

如图所示为由CD4017组成的LED加、减速运动显示器。(a)为加速运动显示电路,在它所连接的四个发光二极管中,LEDl通过隔离二极管VDl-VD4与输出端Q0~Q3连接,接通电源后,Q0输出高电平,LED1发光,在Q0~Q3输出期间,LEDl保持发光不变。

觉得这篇文章有帮助吗?